程永锋1,朱照清1,卢智成1,张富有2
(1.中国电力科学研究院有限公司,北京 102401;2.河海大学土木与交通学院,南京 210098)
摘 要:该文研究了地基梁体系在运动简谐振子作用下的振动特性。其中,地基梁体系由均质各向同性的欧拉梁以及弹簧和阻尼器组成的粘弹性地基模型组成。而移动的简谐振子则通过单自由度体系来描述。推导地基梁体系-简谐振子的耦合振动控制方程,并通过引入中间变量建立该耦合振动控制方法状态空间方程,给出该状态空间的方程的逐步求解方法。最后,通过简单算例,研究地基的基本特性、简谐振子的基本特性对梁的振动的影响。
关键词:地基梁;移动荷载;状态空间方程;动力响应;粘弹性地基模型
梁的振动问题作为工程力学领域的一个基本问题,而在土木工程领域中,许多结构(例如隧道、管道及车轨等)的动力响应问题亦可以通过梁模型的振动问题来进行分析。因此,梁的振动特性一直是工程力学研究领域的一个热点问题。
国内外许多学者开展了梁或地基梁在静动荷载作用下的静动力问题的研究。在这些研究中,从梁的力学特性角度来分,梁模型可以分为Euler-Bernoulli梁理论、Timoshenko梁理论和Reddy三阶梁理论等[1];而从梁的几何特性来分,梁又可以分为有限长梁、无限长梁、变截面梁以及双梁体系等[2-7];而许多工程问题中,梁一般需要与地基系统相接触,而地基梁系统中地基模型又可以分为Winkler地基模型、Pasternak地基模型以及粘弹性地基模型等[8-11];对于梁上的作用荷载,其可以分为静力荷载、动力荷载以及移动荷载等[12-22]。总之,梁的各类问题已被广泛关注,并取得了一定的成果。
当车辆通过桥梁、轨道时,将会引起桥梁或轨道系统的动力反应而使得结构产生比静荷载更大的位移和应力;随着高速铁路的修建,高速运行的车辆引起的动荷载不可避免的会使邻近铁路线路的精密仪器以及电气设备的产生振动,得到越来越多的关注。针对移动荷载作用下梁的动力反应问题,国内外学者也做了大量的研究。在以往的研究中,车辆荷载常被简化成一个恒定的移动荷载,即“moving force”[14];而另一些研究中也用运动的谐波荷载(例如正弦荷载或余弦荷载)来模拟车辆荷载。事实上,当使用恒定的移动荷载来简化车辆荷载时,往往忽略了车辆-桥梁或车辆-轨道之间的耦合作用。为了能够更好的模拟车辆-桥梁之间的耦合作用,有些学者在研究车辆-桥梁耦合振动问题时,已经将车辆描述为“moving oscillator”[20-22],即使用单自由度振子(SDOF)来模拟车辆。已有研究表明,这种运动的振子模型能够更好的描述车辆体系与梁体系的耦合振动问题。
本文以移动的振子来模拟车辆,以粘弹性地基梁为研究对象,研究了在移动振子作用下地基梁的基本动力响应特性。研究中首先给出了地基梁-振子体系的耦合振动方程,并建立了其对应的状态空间方法,给出了空间状态方程的高效求解方法。最后通过算例给出了地基的基本特性以及振子的基本特性对梁的振动的影响。
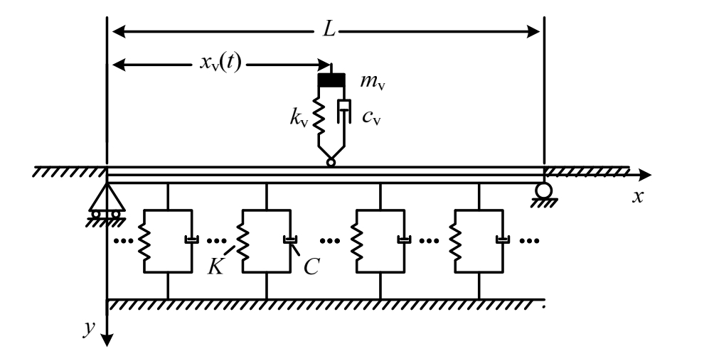
本节中将分析梁在单自由度体系振子作用下的运动特性,所研究的基本模型如图1所示。在该模型中,有两个基本体系:梁体系以及单自由度振子体系,其中梁体系由均质、各向同性的弹性欧拉梁与粘弹性地基梁组成,单自由度振子由一个质量为 mv,且与梁之间有弹性系数为 kv的弹簧以及阻尼为cv的粘壶组成。梁的长度为L,力学参数分别为EI (E为弹性模量,I为梁截面的惯性矩)和ρA (ρ为密度,A为截面面积)。

图1 地基梁-移动振子模型
Fig.1 Model of viscously damped beam system under moving harmonic oscillator
假定梁两边的边界条件一致,粘弹性地基的弹性系数为K,阻尼系数为C。单自由度振子从梁的左边(x=0)运动到梁的右边(x=L)。其在梁上的位置可以表示为时间的参数 x=xv(t)。而单自由度振子与梁之间的接触力可以表示为:
其中,v(t)和v˙(t)分别为梁与振子在竖直方向上的相对位移和相对速度。δ(·)为 Kronecker函数。γv(t)可以表示为:
梁的振动方程可以表示为:

其中,y(x,t)表示梁的横向位移,对其可以进行模态分解,从而可以进一步表示为:

其中:φi( x)为梁的第i阶振型;qi(t)为该模态所对应的变形。当边界条件给定时,振型φi( x),可以通过下式确定:

其中,λi可以通过特性方程得到,例如,对于简支梁,振型为 λi= iπ/L。
此外,模态可以通过下式进行标准化:
其中,δij为Kronecker函数。
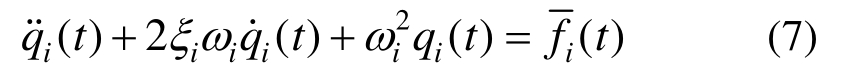
将式(4)代入式(3),并在等式两边乘以 φi( x),然后从0到L进行积分,使用式(6)的正交性,可以得到:
其中:
是第i阶模态下的接触力;ωi与ξi分别为第i阶模态的频率和阻尼比。
接触力
(t)可以表示为:

当梁为简支梁时,第i阶模态的频率iω与阻尼比iξ分别可以表示为:

单自由度振子在竖直方向的运动方程可以表示为:
其中: v(t)、 v˙(t)和 v˙(t)为体系与梁之间的相对位移、速度以及加速度; ˙y(xv(t),t)为在梁与振子接触处的加速度;g为重力加速度。
式(10)可以进一步表示为:
其中:

在该模型中,梁的运动与振子的运动是相互耦合的,它们之间的关系可以表示为:

其中:

将式(13)代入式(11),可以得到梁体系与振子体系耦合的振动方程:

第 1节中给出振子-梁系统的耦合振动控制方程,一般情况难以得到该方程的解析解答。为了得到方程的解答,可以构建对应的状态空间方程,然后在时域内进行求解。因此,引入了以下状态变量zi( t) =[qi( t)
(t )]以及zv(t) =[v(t) v˙(t ) ],通过引入上述两个变量,式(7)和式(11)可以分别表示为:

其中:

将式(16)代入式(17),可以得到:
其中:

式(16)和式(20)构成了一组新的耦合的方程组,该方程组的未知数为新引入的未知数,为了同时求解式(16)和式(20),可以构建以下状态空间方程:
其中:

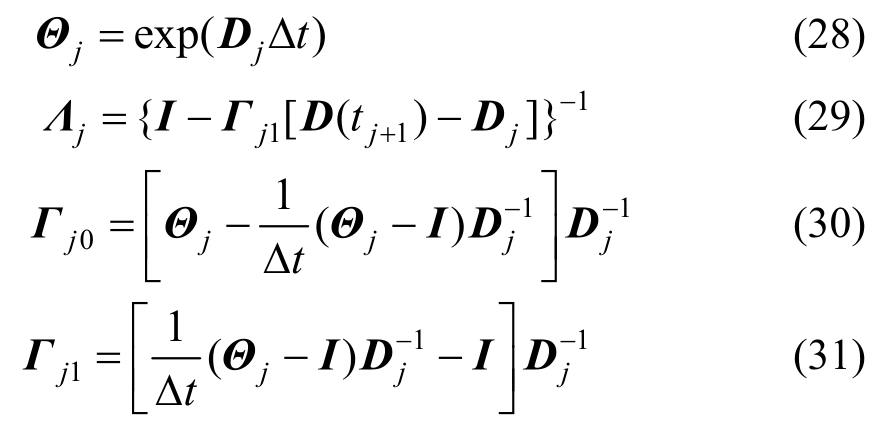
为了求解式(23),可以采用以下逐步求解策略。假设时间步长为∆t,其有以下时间步数tj= ( j- 1)∆ t ,(j=1, 2, 3,…)。第j个时间步数内的动态矩阵可以认为是定值,并用中间时刻的值表示,即 Dj= D (tj+∆t /2)。从而,式(23)在该时间步数内可以表示为:
在式(26)中,Dj是与时间无关的变量,而[D (t) -Dj]是与时间有关的,可以假定在时间步数内为线性增长。这样 z( tj +1)可以通过 z( tj)表示为:

其中:

基于上述方法,当给定初始条件后,就可以得到梁-振子体系的耦合振动过程的解答。
以下将通过一个算例分析,基于上述解答,分析梁-振子体系的耦合振动特性。梁的基本参数为E=2×1011N/m2,I=3060 cm4,ρ =7850 kg/m3,A=76.9×10-4m2。梁的长度假定为 10 m,并假定振子以均匀的速度在梁上运动,运动速度为 5 m/s,振子的质量为500 kg。在研究梁的振动时,由于梁各个位置的振动时不一致的,因此选取了梁中点处的振动特性来研究。
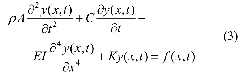
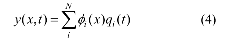
在本节中将研究地基的基本特性对梁振动的影响,此时简谐振子自振频率为 8π rad/s,阻尼比为0.05。图2给出了梁在不同刚度系数下的振动特性(此时选取的地基阻尼比为 0.05),可以发现:随着地基刚度系数的增加,梁的振动幅值将明显减少,即地基的刚度特性对梁振动的大小有着较大的影响。图3给出了梁在不同阻尼比下的振动特性(此时选取的地基刚度系数为50000 N/m),可以发现:随着阻尼比的增加,梁的振动幅值略有减少。因此,相比于阻尼比,地基的刚度系数对梁的振动幅值起着决定性作用。
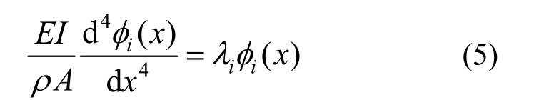
在本节中将研究振子的基本特性对梁振动的影响,此时假定地基的刚度系数为 50000 N/m,阻尼比为0.05。图4给出了梁在不同的振子自振频率下的振动特性(此时选取的振子阻尼比为0.05),可以发现:随着振子自振频率的增加,梁的振动曲线的振动频率也越来越大,但是振子的自振频率对梁的振动的峰值响应没有显著影响。图5给出了梁在不同振子阻尼比下的振动特性(此时选取的振子自振频率为8π rad/s),可以发现:随着阻尼比的增加,梁的振动幅值减小明显。因此,相比于振子的自振频率,振子的阻尼比对梁的峰值响应有着更显著的影响。

图2 地基刚度系数对梁振动的影响
Fig.2 Effects of stiffness of foundation on response of beam

图3 地基阻尼比对梁振动的影响
Fig.3 Effects of damping of foundation on response of beam

图4 振子的自振频率对梁振动的影响
Fig.4 Effects of circular frequency of moving oscillator on response of beam

图5 振子的阻尼比对梁振动的影响
Fig.5 Effects of damping of moving oscillator on response of beam
本文研究了运动的简谐振子作用下地基梁体系的振动问题。相比与其他类型的运动荷载,本文的简谐振子能够更好地描述实际工程问题中的运动的车辆与轨道之间的耦合作用问题。研究中首先理论上推导了地基梁体系、运动的简谐振子之间的耦合振动控制方程。由于难以得到该控制方程的完全解析解答,引入了新的变量,建立了与耦合振动控制方程相对应的状态空间方程,并给出了该状态空间方程的逐步求解法。最后,通过简单的算例,研究了地基的基本特性、简谐振子的基本特性对梁振动的影响规律。研究发现:地基梁的刚度系数及振子的阻尼比对梁振动的幅值起着控制性作用。
该文的研究能够直接为车辆-轨道耦合振动特性的参数影响分析提供简单迅速的求解方法,从而为初步设计提供参考。可以进一步建立更为合理的轨道模型和车辆模型,分析对应模型中的振动问题,为车辆-轨道耦合振动分析提供更为合理的依据。
参考文献:
[1] 马连生, 欧志英, 黄达文. 不同梁理论之间简支梁特征值得解析关系[J]. 工程力学, 2006, 23(10): 91―95.Ma Liansheng, Ou Zhiying, Huang Dawen. Analytical relationships of simply-supported beam’s eigenvalues using different beam theories [J]. Engineering Mechanics, 2006, 23(10): 91―95. (in Chinese)
[2] Sun L. A closed-form solution of a Bernoulli-Euler beam on a viscoelastic foundation under harmonic line loads[J]. Journal of Sound and Vibration, 2001, 242(4): 619―627.
[3] Yu H, Yuan Y. Analytical solution for an infinite Euler-Bernoulli beam on a viscoelastic foundation subjected to arbitrary dynamics loads [J]. Journal of Engineering Mechanics, 2014, 140(3) : 542―551.
[4] Wu Y, Gao Y. Analytical solutions for simply supported viscously damped double-beam system under moving harmonic loads [J]. Journal of Engineering Mechanics,ASCE, 2015, 141(7): 04015004.
[5] Li Y X, Sun L Z. Transverse vibration of an undamped elastically connected double-beam system with arbitrary boundary conditions [J]. Journal of Engineering Mechanics, 2016, 142(2): 04015070.
[6] 潘旦光, 楼梦麟. 变截面Timoshenko简支梁动力特性的半解析解[J]. 工程力学, 2009, 26(8): 6―9.Pan Dangaung, Lou Menglin. Semi-analytic solution of dynamic characteristics of non-prismatic Timoshenko simply supported beams [J]. Engineering Mechanics,2009, 26(8): 6―9. (in Chinese)
[7] 潘旦光, 郭泳. 变截面Timoshenko梁动力反应的半解析法 [J]. 力学季刊, 2014, 35(3): 521―530.Pan Danguang, Guo Yong. Semi-Analytical solution on dynamic response of Timoshenko beams with varying cross-section [J]. Chinese Quarterly of Mechanics, 2014,35(3): 521―530. (in Chinese)
[8] Basu D, Rao N S V. Analytical solutions for Euler-Bernoulli beam on visco-elastic foundation subjected to moving load [J]. International Journal for Numerical and Analytical Methods in Geomechanics,2013, 37(8): 945―960.
[9] Thambiratnam D, Zhuge Y. Dynamic analysis of beams on an elastic foundation subjected to moving loads [J].Journal of Sound and Vibration, 1996, 198(2): 149―169.
[10] Sun L. An explicit representation of steady state response of a beam on an elastic foundation to moving harmonic line loads [J]. International Journal for Numerical and Analytical Methods in Geomechanics, 2003, 27(1) : 69―84.
[11] 钱建固, 周仁义, 黄茂松. 高速移动荷载下弹性半空间饱和地基动应力响应[J]. 工程力学, 2016, 33(3):39―46.Qian Jiangu, Zhou Renyi, Huang Maosong. Dynamic stress responses to high-speed moving load on elastic saturated semi-space ground [J]. Engineering Mechanics,2017, 2016, 33(3): 39―46. (in Chinese)
[12] 刘隆, 谢伟平, 徐薇. 均布人群对简之欧拉梁动力特性的影响 [J]. 工程力学, 2012, 29(8): 189―194.Liu Long, Xie Weiping, Xu Wei. Effect on modal priorities of a simply supported Euler Beam occupied by a distributed crown [J]. Engineering Mechanics, 2012,29(8): 189―194. (in Chinese)
[13] 张铎, 李小珍. 移动简谐荷载列作用下简之梁竖向动力响应的解析解及其应用研究[J]. 应用力学学报,2014, 31(1): 144―149.Zhang Duo, Li Xiaozhen. Analysis and application of vertical dynamics response of simply supported beam bride under moving harmonic load series [J]. Chinese Journal of Applied Mechanics, 2014, 31(1): 144―149.(in Chinese)
[14] 李小珍, 张志俊, 刘全民. 任意移动荷载列作用下简支梁桥竖向振动响应解析分析[J]. 振动与冲击, 2012,31(20): 137―142.Li Xiaozhen, Zhang Zhijun, Liu Quanmin. Analysis on vertical dynamic response of simply supported beam bridge under successive moving loads [J]. Journal of Vibration and Shock, 2012, 31(20): 137―142. (in Chinese)
[15] 孙宇, 翟婉明. 基于格林函数法的车辆-轨道垂向耦合动力分析[J]. 工程力学, 2017, 34(3): 219―226.Sun Yu, Zhai Wanming. Analysis of the vehicle-track vertical coupled dynamics based on the Green’s function method [J]. Engineering Mechanics, 2017, 34(3): 219―226. (in Chinese)
[16] 殷新锋, 丰锦铭, 刘扬. 考虑桥面等级退化影响的风-车流-桥梁耦合振动分析[J]. 工程力学, 2016, 33(3):87―94.Yin Xinfeng, Feng Jinming, Liu Yang. Vibration of the bridge-traffic-wind system considering bridge surface progressive deterioration [J]. Engineering Mechanics,2016, 33(3): 87―94. (in Chinese)
[17] 张斌, 罗雁, 雷晓燕. 改进迭代过程的车轨耦合振动数值解法及应用[J]. 工程力学, 2016, 33(3): 128―134.Zhang Bin, Luo Yanyun, Lei Xiaoyan. Numerical approach for vehicle-track coupling vibration based on improved iterative process and its application [J].Engineering Mechanics, 2016, 33(3): 128―134. (in Chinese).
[18] 鲍四元, 邓子辰, 范存新. 质点与 Euler-Bernoulli 梁任意点撞击问题的解析解[J]. 振动与冲击, 2008,27(1): 163―166.Bao Siyuan, Deng Zichen, Fan Cunxin. Analytical solution to impact between a particle and an Euler-Bernoulli Beam at arbitrary position on the beam[J]. Journal of Vibration and Shock, 2008, 27(1): 163―166. (in Chinese)
[19] Abu-Hilal M. Dynamic response of a double Euler-Bernoulli beam due to a moving constant load [J].Journal of Sound and Vibration, 2006, 297(3/4/5): 477―491.
[20] Chang T P, Lin G L, Chang E. Vibration analysis of a beam with an internal hinge subjected to a random moving oscillator [J]. International Journal of Solids and Structures, 2006, 43(21): 6398―6412.
[21] Muscolino G, Palmeri A, Sofi A. Absolute versus relative formulations of the moving oscillator problem [J].International Journal of Solids and Structures, 2009,46(5): 1085―1094.
[22] Wu Y, Gao Y. Dynamic response of a simply supported viscously damped double-beam system under moving oscollator [J]. Journal of Sound and Vibration, 2016,384(7): 194―209.
THE DYNAMIC RESPONSE OF A SIMPLY SUPPORTED VISCOUSLY DAMPED BEAM SYSTEM UNDER A MOVING HARMONIC OSCILLATOR
CHENG Yong-feng1, ZHU Zhao-qing1, LU Zhi-cheng1, ZHANG Fu-you2
(1. China Electric Power Research Institute, Beijing 102401, China;2. College of Civil Engineering and Transportation Engineering, Hohai University, Nanjing 210098, China)
Abstract:The dynamic response of a foundation-beam system under a moving harmonic oscillator is investigated. The foundation-beam system is made of an elastic homogeneous isotropic Euler-Bernoulli beam,which is supported continuously by a foundation of elastic springs with viscous damping. The moving harmonic oscillator is simplified by a single degree of freedom (SDOF) system. The equation governing the vibration of Euler-Bernoulli beam is proposed. By introducing some state variables, a new state-space equation is established,which is then solved by a single-step scheme. Numerical examples are employed to investigate the effects of the mechanical properties of the oscillator and foundation on the response of the beam.
Key words:foundation-beam system; moving oscillator; state-space equation; dynamic response; viscoelastic foundation model
中图分类号:TU470+1
文献标志码:A
doi:10.6052/j.issn.1000-4750.2017.03.0252
文章编号:1000-4750(2018)07-0018-06
收稿日期:2017-03-28;修改日期:2017-11-13
基金项目:国家自然科学基金青年基金项目(51308191)
通讯作者:张富有(1972―),男,河南人,副教授,博士,主要从事岩土工程与工程抗震方面的研究(E-mail: fyzhangsy@hhu.edu.cn).
作者简介:
程永锋(1969―),男,安徽人,教授级高工,博士,所长,主要从事岩土工程与电力设施的隔震、抗震研究(E-mail: cyf@epri.sgcc.com.cn);
朱照清(1983―),男,江苏人,高工,博士,主要从事岩土工程与电力设施的隔震、抗震研究(E-mail: clementfox@163.com);
卢智成(1978―),男,江苏人,高工,博士,主要从事电力设施的振动控制研究(E-mail: luzc@epri.sgcc.com.cn).