应宏伟1,2,王小刚3,张金红4
(1.浙江大学滨海和城市岩土工程研究中心,杭州310058;2.浙江大学软弱土与环境土工教育部重点实验室,杭州 310058;3.中铁二院华东勘察设计有限责任公司,杭州 310004;4.浙江省建筑设计研究院,杭州 310006)
摘 要:地铁车站、地下管廊建设中狭窄基坑日趋增多,目前深基坑抗隆起稳定性的计算方法主要基于地基承载力模式和绕最下道内支撑或拉锚点的圆弧滑动模式,不能考虑基坑平面尺寸的影响。对不同宽度的深基坑进行数值模拟,得到坑底潜在隆起滑裂面的分布规律,并提出了考虑基坑宽度影响的基坑坑底抗隆起稳定分析模式,基于有限土体的被动土压力研究,修正了狭窄基坑被动侧的被动土压力系数。通过算例分析基坑宽度、支挡墙嵌入深度等对基坑抗隆起稳定的影响。研究表明狭窄基坑抗隆起安全系数更高,砂性土地基基坑宽度效应比淤泥质黏土地基更明显。将该文法应用于工程实例分析,实测数据验证了该文法的合理性。
关键词:狭窄基坑;抗隆起稳定;破坏模式;宽度效应;被动土压力系数
随着地下空间的逐渐开发,地铁车站、地下管廊建设中狭窄基坑日趋增多,已有的基坑抗隆起稳定分析方法主要针对宽度较大的基坑,对狭窄基坑不适用。
目前国内外计算公式或方法主要有Terzaghi法[1]、Bjerrum和Eide法[2]等地基承载力模式和行业规程法[3],“汪夏法”[4]等圆弧滑动模式。Terzaghi[1]忽略了围护结构入土深度和基坑平面尺寸的影响,将坑底以上部分土层作为上覆荷载考虑,建立了基于地基承载力模式的抗隆起稳定安全系数计算公式。汪炳鉴和夏明耀[4]将基坑破坏基准面取于围护墙底,对Terzaghi公式进行了改进,但仍不能考虑基坑平面尺寸的影响。
《建筑地基基础设计规范》[3](JGJ 120—2012)指出支撑式支挡结构按圆弧滑动模式分析基坑抗隆起稳定,忽略了基坑水平向土压力,导致安全系数较小。上海市标准《基坑工程技术规范》[5]考虑了水平土压力的作用,基坑内外侧土压力系数均取主动土压力系数。郑刚和程雪松[6]进一步考虑了弧长和法向应力的影响,对规程方法进行了修正。孔德森[7]、应宏伟等[8]基于土体各向异性不排水强度公式,得到考虑软黏土各向异性的坑底抗隆起稳定分析方法。此外,Chang[9]、邹广电[10]、秦会来[11]、黄茂松[12]等基于极限平衡法对基坑抗隆起稳定开展了研究;蒋建平[13]建立数值模型讨论了坑内土体加固对基坑坑底抗隆起稳定性的有利作用。
Faheema等[14]基于有限元分析结果,提出了方形基坑的抗隆起稳定安全修正系数;王洪新[15]基于地基承载力模式得到了不同围护条件下基坑抗隆起安全系数计算公式;夏霄[16]建立了狭窄基坑的抗隆起稳定计算模式;王成华和张天宝[17]对狭长基坑开展数值模型分析,提出了新的基坑稳定破坏模式——梯形破坏模式;张飞等[18]开展了离心模型试验研究软土地区水位及开挖深度变化对狭长基坑破坏模式的影响。
可见已有研究主要对宽大基坑抗隆起安全系数的现行计算方法进行改进,较少涉及基坑宽度的影响;文献[14―18]虽然考虑了基坑宽度的尺寸效应,但定义的破坏模式有待进一步改进,且未考虑坑内狭窄土体被动土压力与经典土压力理论的差别。本文对不同开挖宽度的基坑进行数值分析,得到了基坑隆起破坏潜在滑裂面的分布规律,提出了考虑基坑宽度影响的新的抗隆起稳定分析模式。通过算例,分析了淤泥质黏土和砂性土地基中基坑宽度、支挡墙嵌入深度对基坑坑底抗隆起稳定安全系数的影响,将本文法应用于工程实例分析,实测数据验证了本文法的合理性。
采用有限元软件Plaxis2D模拟分析基坑的开挖过程,土体的本构模型采用HS硬化模型[19]。基坑抗隆起稳定安全系数Fs由交会法确定,根据强度折减系数-位移变化曲线,认为两段曲线的交点对应的折减系数即为安全系数Fs[20-21]。
算例基坑开挖深度H=17 m,挡墙插入深度D=20m,基坑开挖宽度为B,地表超载q=20kPa。土体为淤泥质黏土,黏聚力c=10kPa,内摩擦角φ=10°,重度γ=17 kN/m3,Eoed=E50=2.5 MPa,Eur=10MPa,采用不排水总应力分析。
对不同宽度的基坑进行强度折减安全性分析,得到强度折减后的增量位移等值线图,等值线梯度大的区域表示位移发展迅速,可以近似看作基坑潜在滑裂面(图1)。
由数值分析结果可以发现:基坑隆起滑裂面可近似为一圆弧面与竖直面的组合滑裂面,且圆弧的半径与基坑的宽度及支挡墙入土深度有关,当基坑宽度小于最下道支撑到支挡墙底的距离时,圆弧半径R与基坑宽度B接近,圆心O位于围护结构上,因此可得圆心位置O点及滑动半径R;随着基坑宽度继续增大,圆弧的半径不再增大。根据这一潜在滑裂面的分布规律,可以得到考虑基坑宽度影响的基坑坑底抗隆起稳定分析新模式。


图1 不同基坑宽度下的潜在滑裂面
Fig.1 Critical slip surface under different excavation widths
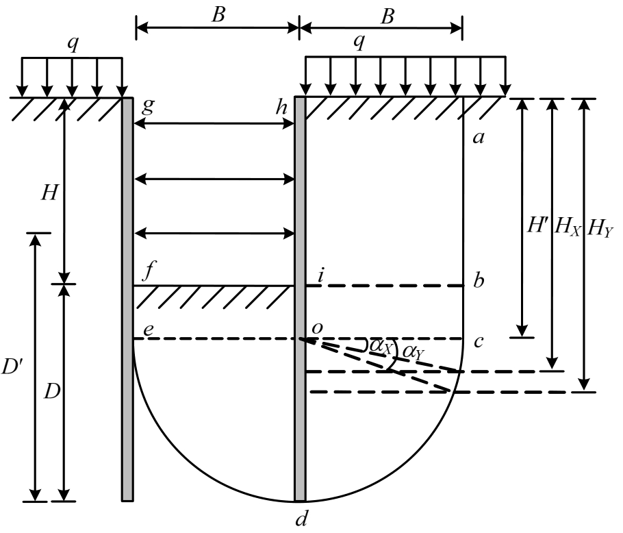
1)0<B≤D时,抗隆起稳定分析模式见图2。

图2 狭窄基坑坑底抗隆起稳定分析模式(0<B≤D)
Fig.2 Model of heave-resistant stability in narrow excavation(0<B≤D)
efio区域土体自重对圆心O的抗隆起力矩为:
式中:γ为对应土层的天然重度;HX、HY分别为对应土层的层顶、层底埋深。
不考虑ab段的抗隆起力矩,滑动面bc对圆心O的抗隆起力矩为:
式中:Ka为对应土层的主动土压力系数;q为坑外超载;c、φ分别为对应土层的黏聚力和内摩擦角。
滑动面cd对圆心O的抗隆起力矩为:

式中:αX、αY分别为对应土层层顶和层底与圆心的水平夹角;α为对应土层所在圆弧中心与圆心的水平夹角;q1为坑外对应土层的上覆竖向应力。
滑动面de对圆心O的抗隆起力矩为:

式中:q2为坑内对应土层的上覆竖向应力;Kp为被动侧土压力系数。
对于地铁基坑等宽深比较小的基坑,极限状态情况下,被动滑裂土楔体形状可能由三角形变为梯形,而经典土压力理论对被动区土压力值采用半无限假定,对狭窄形基坑不再适用,因此有必要对基坑内侧的被动土压力值进行修正。郑贝贝和应宏伟等[22-23]对地铁车站、地下管道沟槽等狭窄基坑,建立了有限土体刚性挡墙的有限元分析模型,借鉴库仑平面土楔假定,建立了狭窄基坑刚性平动挡墙被动土压力的理论计算模型,得到了被动土压力分布、土压力合力作用点高度的理论公式,发现Kp的大小与墙土摩擦角φw、土体内摩擦角φ、土体黏聚力c、墙土黏聚力cw以及基坑宽度与支挡墙插入深度比等有关。
滑动面ef对圆心O的抗隆起力矩为:
式中,u为墙土摩擦系数。
ha段地面超载对圆心O的隆起力矩为:
habi区域土体自重对圆心O的隆起力矩为:
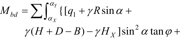
2)当D<B≤D′时(D′为最下道支撑到支挡墙底的距离),如图3所示。
bd段对圆心O的抗隆起力矩为:

de段对圆心O的抗隆起力矩为:

基坑隆起力矩包括ha段地面超载、habo及ocb区域土体自重产生的力矩。

图3 狭窄基坑坑底抗隆起稳定分析模式(D<B≤D′)
Fig.3 Model of heave-resistant stability in narrow excavation(D<B≤D′)
3)当B>D′时,此时圆弧滑动圆心位于最下道支撑与围护结构交点处。计算过程与D<B≤D′情况下类似。此时如果B同时满足经典的库伦或朗肯被动区的半无限假定,则本文方法退回到现有规范推荐的坑底抗隆起稳定计算方法。
针对本文基坑坑底抗隆起稳定分析模式,安全系数值定义为抗隆起力矩与隆起力矩之比:
式中:MRLK为抗隆起力矩标准值;MSLK为隆起力矩标准值。
算例基坑参数与前述算例相同,其中墙土黏聚力cw=5 kPa,墙土摩擦角φw=6.7°。变化基坑宽度得到宽度对抗隆起稳定性的影响如图4所示,在一定开挖宽度范围内,开挖宽度越小,本文理论法、王洪新法计算得到的基坑抗隆起安全系数均越大,说明基坑宽度越小,抗隆起稳定性越高,而现行规范和规程方法不能反映这一规律,文献[17]提出的坑底隆起稳定模式表现相反特性,与实际工程不符,后文不再讨论该模式;与王洪新法相比,本文理论法考虑了坑内有限土体对被动土压力取值的影响,计算结果与数值计算结果更接近。

图4 基坑宽度对抗隆起安全系数的影响
Fig.4 Influence of excavation width on heave-resistant stability
保持基坑开挖深度不变,变化支挡墙嵌入深度,得到支挡墙插入比对抗隆起稳定性的影响如图5所示,行业规程法、上海规范法、王洪新法和本文理论法随支挡墙插入比增大的变化规律基本相同,墙体插入比越大,基坑抗隆起安全系数越大,本文理论法计算结果和数值法更为接近。

图5 支挡墙插入比对抗隆起安全系数的影响
Fig.5 Influence of embedded depth of retaining wall on heave-resistant stability
算例基坑几何参数与前述算例相同,地基土为均质砂性土,土体重度γ=18 kN/m3,黏聚力c=0kPa,内摩擦角φ=30°,墙土黏聚力cw=0kPa,墙土摩擦角φw=10°。变化基坑宽度得到基坑宽度对抗隆起稳定性的影响如图6所示。从图可见,与软黏土基坑相比,随基坑宽度减小,砂性土基坑的安全系数增大更明显,说明砂性土基坑的宽度效应更显著。同样可以发现,本文理论法结果与数值分析结果更接近。

图6 基坑宽度对粉砂土基坑抗隆起稳定性的影响
Fig.6 Influence of excavation width of silty soil on heave-resistant stability
保持基坑开挖深度不变,变化支挡墙嵌入深度,得到支挡墙插入比对抗隆起稳定性的影响如图7所示,行业规程法、上海规范法、王洪新法和本文理论法随支挡墙插入比增大的变化规律基本相同;支挡墙插入比越大,基坑抗隆起稳定安全系数越大,相比于淤泥质黏土基坑,粉砂土基坑的增大速率更明显。

图7 支挡墙插入比对抗隆起安全系数的影响
Fig.7 Influence of embedded depth of retaining wall on heave-resistant stability
宁波某地铁站标准段基坑开挖深度为18.0m,采用厚度为800mm的地下连续墙围护结构,地连墙深度为33.7 m,计算时考虑地面超载30kPa。

图8 樱花公园站基坑平面示意图
Fig.8 Schematic plan of Ying Hua park station
该基坑平面图见图8,选取2个不同基坑宽度的断面按本文理论方法计算,对应测斜孔分别为CX26、CX28。土质条件见表1,围护结构剖面见图9。
为简化计算过程,抗剪强度按三轴固结不排水指标与土层厚度进行加权平均取得。土层黏聚力c=26.97 kPa,内摩擦角φ=16.26°,墙土黏聚力cw=c/3,墙土摩擦角φw=φ/3,墙土摩擦系数µ=0.67。CX28处剖面宽5.82 m,本文理论法计算得到坑底抗隆起安全系数为:Fs=3.40,CX26处剖面宽25.45 m,基坑宽度大于最下道支撑到围护墙墙底距离,抗隆起稳定计算按绕最下道支撑进行计算,得到安全系数:Fs=2.12,规程[5]在CX26及CX28计算得到基坑抗隆起安全系数均为2.05。本文理论法考虑了有限土体被动区土压力修正,CX26处本文法计算结果(2.12)略大于规程[5](2.05)。CX28处,本文法定义的破坏模式如图2所示,本文考虑基坑宽度效应的稳定安全系数(3.40)明显大于规程[5](2.05)。不同基坑宽度下的地连墙水平位移实测值见图10,基坑坑外地表沉降值见图11,可以发现:基坑宽度越小地连墙最大水平位移现场实测值越小,相应坑外的地表沉降实测值也越小,因地墙水平位移和地表沉降是基坑稳定性的直观表现,也就说明基坑宽度较窄的断面的安全系数越高,验证了本文方法有一定的合理性。
表1 土体力学性质一览表
Table1 Mechanical parameters of soil


图9 围护结构剖面图
Fig.9 Sectional plan of retaining structure

图10 地连墙水平位移实测值
Fig.10 Horizontal displacements of retaining wall

图11 坑外地表沉降随与基坑距离的变化
Fig.11 Distribution of surface settlements with distance from excavation
对不同宽度的基坑进行数值分析,得到了基坑抗隆起破坏潜在滑裂面的分布规律,提出了考虑基坑宽度影响的基坑坑底抗隆起稳定分析破坏新模式。通过算例分析了基坑宽度、墙体入土深度对坑底抗隆起稳定安全系数的影响,得到如下结论。
(1)与已有方法相比,本文法考虑了基坑宽度效应以及有限土体对被动土压力的影响,得到的抗隆起稳定安全系数与数值分析结果更吻合。在其他几何参数相同条件下,基坑宽度越小,坑底抗隆起稳定安全系数越大;墙体入土深度越大,基坑坑底抗隆起安全系数越大。
(2)粉砂土基坑抗隆起稳定的宽度效应较淤泥质黏土基坑更加明显。
(3)工程实例中的现场实测数据验证了本文方法的合理性。实际工程中,可以合理利用基坑的尺寸效应以增加经济效益。
参考文献:
[1]Terzaghi K.Theoretical soil mechanicals[M].New York:John Wiley & Sons,1943.
[2]Bjerrum L,EIDE O.Stability of strutted excavations of slopes[J].Geotechnique,1956,6(1):32―47.
[3]GB 50007—2012,建筑地基基础设计规范[S].北京:中国建筑工业出版社,2012.GB 50007—2012,Code for design of building foundation[S].2012.(in Chinese)
[4]汪炳鉴,夏明耀.地下连续墙的墙体内力及入土深度问题[J].岩土工程学报,1983,5(3):103―114.Wang Bingjian,Xia Mingyao.Embedment depth and internal force of diaphragm wall[J].Chinese Journal of Geotechnical Engineering,1983,5(3):103―114.(in Chinese)
[5]DG/TJ08-61—2010,J11575—2010,基坑工程技术规范[S].上海:上海市建筑建材业市场管理总站,2010.DG/TJ08-61—2010,J11575—2010,Technical code for design of excavation engineering[S].Shanghai:Shanghai Construction and Building Materials Industry Market Management Station,2010.(in Chinese)
[6]郑刚,程雪松.考虑弧长和法向应力修正的基坑抗隆起稳定计算方法[J].岩土工程学报,2012,34(5):781―789.Zheng Gang,Cheng Xuesong.Basal stability analysis method considering arc length and normal stress correction[J].Chinese Journal of Geotechnical Engineering,2012,34(5):781―789.(in Chinese)
[7]孔德森,门燕青,王丽华,等.各向异性软土深基坑坑底抗隆起稳定性分析[J].中南大学学报(自然科学版),2012,43(11):4472―4476.Kong Desen,Men Yanqing,Wang Lihua,et al.Basal heave stability analysis of deep foundation pits in anisotropic soft clays[J].Journal of Central South University(Science and Technology),2012,43(11):4472―4476.(in Chinese)
[8]应宏伟,王小刚,张金红,等.各向异性软黏土基坑抗隆起稳定极限平衡分析[J].工程力学,2016,33(9):131―137.Ying Hongwei,Wang Xiaogang,Zhang Jinhong,et al.Limit equilibrium analysis on stability against basal heave of excavation in anisotropy soft clay[J].Engineering Mechanics,2016,33(9):131―137.(in Chinese)
[9]Chang M F.Basal stability analysis of braced cuts in clay[J].Journal of Geotechnical and Geoenvironmental Engineering,ASCE,2000,126(3):276―279.
[10]邹广电.基于一个上限分析方法的深基坑抗隆起稳定分析[J].岩土力学,2004,25(12):1873―1878.Zou Guangdian.Analysis of stability against upheaval of deep excavation by an upper limit method[J].Rock and Soil Mechanics,2004,25(12):1873―1878.(in Chinese)
[11]秦会来,黄茂松,马少坤.黏土基坑抗隆起稳定分析的多块体上限解[J].岩石力学与工程学报,2010,29(1):73―81.Qin Huilai,Huang Maosong,Ma Shaokun.Multi-block upper bound method for basal heave stability analysis of braced excavations in clay[J].Chinese Journal of Rock Mechanics and Engineering,2010,29(1):73―81.(in Chinese)
[12]黄茂松,余生兵,秦会来.基于上限法的K0固结粘土基坑抗隆起稳定分析[J].土木工程学报,2011,44(3):101―108.Huang Maosong,Yu Shengbing,Qin Huilai.Upper bound method for basal stability analysis of braced excavations inK0-consolidated clays[J].China Civil Engineering Journal,2011,44(3):101―108.(in Chinese)
[13]蒋建平.深基坑坑底加固体的刚度效应研究[J].工程力学,2011,28(6):130―140.Jiang Jianping.Study on stiffness effect of reinforcement mass in bottom of deep excavation[J].Engineering Mechanics,2011,28(6):130―140.( in Chinese)
[14]Faheema H,Cai F,Ugaia K.Three-dimensional base stability of rectangular excavations in soft soils using FEM[J].Computers and Geotechnics,2004,31(2):67―74.
[15]王洪新.对基坑抗隆起稳定安全系数的改进[J].岩土力学,2014,35(增2):30―36.Wang Hongxin.Improvement on safety coefficient of heave-resistant stability of excavations[J].Rock and Soil Mechanics,2014,35(Suppl 2):30―36.(in Chinese)
[16]夏霄.基坑工程若干问题研究[D].杭州:浙江大学,2015.Xia Xiao.The research for issues of foundation excavation[D].Hangzhou:Zhejiang University,2015.(in Chinese)
[17]王成华,张天宝.窄长基坑隆起破坏模式及其稳定性分析[C].第九届全国基坑工程研讨会学术论文集.郑州:郑州大学出版社,2016.Wang Chenghua,Zhang Tianbao.Basal heave failure model and stability analysis of narrow-deep foundation pit[C].Proceedings of the Ninth National Symposium on foundation pit engineering.Zhengzhou:Zhengzhou University Press,2016.(in Chinese)
[18]张飞,李镜培,孙长安,等.软土狭长深基坑抗隆起破坏模式试验研究[C].第九届全国基坑工程研讨会学术论文集.郑州:郑州大学出版社,2016.Zhang Fei,Li Jingpei,Sun Chang’an,et al.Experimental study on basal heave failure mode of long-deep excavation in softy foundation[C].Proceedings of the Ninth National Symposium on foundation pit engineering.Zhengzhou:Zhengzhou University Press,2016.(in Chinese)
[19]宋广,宋二祥.基坑开挖数值模拟中土体本构模型的选取[J].工程力学,2014,31(5):86―94.Song Guang,Song Erxiang.Selectiong of soil constitutive models for numerical simulationg of foundation pit excavation[J].Engineering Mechanics,2014,31(5):86―94.(in Chinese)
[20]Faheem H,Cai F,Ugai K,et al.Two-dimensional base stability of excavations in soft soils using FEM[J].Computers and Geotechnics,2003,30(2):141―163.
[21]赵尚毅,郑颖人,张玉芳.极限分析有限元法讲座—Ⅱ有限元强度折减法中边坡失稳的判据探讨[J].岩石力学,2005,26(2):332―336.Zhao Shangyi,Zheng Yingren,Zhang Yufang.Study on slope failure criterion in strength reduction finite element method[J].Rock and Soil Mechanics,2005,26(2):332―336.(in Chinese)
[22]郑贝贝.考虑挡墙位移及有限土体影响的土压力实验研究[D].杭州:浙江大学,2011.Zhen Beibei.Study on earth pressures considering retaining wall deformation and limited soils[D].Hangzhou:Zhejiang University,2011.(in Chinese)
[23]应宏伟,郑贝贝,谢新宇.狭窄基坑平动模式刚性挡墙被动土压力分析[J].岩土力学,2012,32(12):3755―3762.Ying Hongwei,Zheng Beibei,Xie Xinyu.Study of passive earth pressures against translating rigid retaining walls in narrow excavations[J].Rock and Soil Mechanics,2012,32(12):3755―3762.(in Chinese)
ANALYSIS ON HEAVE-RESISTANT STABILITY CONSIDERING THE EFFECT OF EXCAVATION WIDTH
YING Hong-wei1,2,WANG Xiao-gang3,ZHANG Jin-hong4
(1.Research Center of Coastal and Urban Geotechnical Engineering,Zhejiang University,Hangzhou 310058,China;2.MOE Key Laboratory of Soft Soils and Geoenvironmental Engineering,Zhejiang University,Hangzhou 310058,China;3.CREEC East China Survey and Design Co.Ltd.,Hangzhou 310004,China;4.Zhejiang Province Institute of Architectural Design and Research,Hangzhou 310006,China)
Abstract:In recent years,more and more narrow excavations have been executed accompanying the construction of subway stations and underground galleries.The existing calculation methods of heave-resistant stability are mainly based on the soil bearing capacity limit equilibrium theory and slip circle method around the bottom support,ignoring the effect of excavations width.This paper performs numerical simulation of deep foundations under different widths,and puts forward a new model for the calculation of heave-resistant stability in narrow excavation based on the regularity of critical slip surface.The coefficient of passive earth pressure when the width of the backfill is limited is modified.In this case,the paper analyzes the effect of width of excavation and embedded depth of retaining walls.The study shows that the heave-resistant stability of narrow excavation is higher and the effect of width in sandy foundation is more obvious than in mucky soil.The theoretical method is applied to an engineering instance and experimental data confirm its rationality.
Key words:narrow excavation;heave-resistant stability;damage mode;width effect;coefficient of passive earth pressure
中图分类号:TU470+.3
文献标志码:A
doi:10.6052/j.issn.1000-4750.2017.01.0054
文章编号:1000-4750(2018)05-0118-07
收稿日期:2017-01-13;修改日期:2017-12-19
基金项目:国家自然科学基金项目(51278462,51338009)
通讯作者:应宏伟(1971―),男,江西萍乡人,副教授,博士,主要从事岩土工程的教学和科研工作(E-mail:ice898@zju.edu.cn).
作者简介:王小刚(1992―),男,浙江衢州人,硕士生,主要从事岩土工程研究(E-mail:zjuwxg@zju.edu.cn);
张金红(1991―),男,浙江金华人,硕士生,主要从事岩土工程研究(E-mail:zhangjinhong@zju.edu.cn).