种 迅1,2,万金亮1,蒋 庆1,2,叶献国1,2,王德才3,邢 伟4,邵徽斌4
(1.合肥工业大学土木与水利工程学院,合肥 230009;2.安徽省土木与建筑材料省级实验室,合肥 230009;3.合肥工业大学建筑与艺术学院,合肥 230601;4.西伟德宝业混凝土预制件(合肥)有限公司,合肥 230601)
摘 要:叠合板式剪力墙在水平拼缝部位采用“等钢筋面积”连接时,水平地震作用下的弹塑性变形模式以“摇摆变形”为主,无法达到“等同现浇”的要求。为改善这一状况,提出在水平拼缝部位采用“强连接”的方式,即通过提高水平拼缝抗弯承载力,使构件的塑性部位转移至墙板内部,从而使其抗震性能更接近现浇混凝土剪力墙。该文进行了3个采用“强连接”的叠合板式剪力墙试件以及1个作为对比的现浇混凝土剪力墙试件的拟静力试验,研究了不同轴压比下水平拼缝弯矩超强系数对叠合板式剪力墙抗震性能的影响。结果表明:采用“强连接”叠合板式剪力墙试件的塑性变形出现在墙板内部基础插筋顶部附近和水平拼缝处两个部位,试件变形模式接近现浇混凝土构件,不再以摇摆变形为主;水平拼缝部位弯矩超强程度较大的试件,水平拼缝部位基础插筋屈服也相对较晚;相同轴压比的“强连接”叠合板式剪力墙试件延性和刚度退化情况与现浇混凝土试件相当,耗能能力高于现浇混凝土试件。
关键词:叠合板式剪力墙;水平拼缝部位;强连接;弯矩超强系数;拟静力试验;抗震性能
叠合板式剪力墙是一种由两侧预制墙板和中间现浇混凝土共同组成的半装配叠合式受力构件。在水平拼缝部位,上、下层墙板之间以及墙板和基础之间通过布置在现浇混凝土内穿过拼缝的纵向钢筋相连接。这种构件通常被认为属于“等同现浇”的预制混凝土构件,即其抗震性能与现浇混凝土结构基本一致[1-3]。然而以往的试验研究表明,当水平拼缝部位采用“等面积搭接”,即连接钢筋面积与墙板内受力纵筋面积相等时,由于水平拼缝部位的抗弯承载力与上下相邻截面相比偏低而成为受力的薄弱部位,剪力墙在水平地震作用下的弹塑性反应以上部墙体作为刚体绕水平拼缝的“摇摆”变形[4-6]为主。这种摇摆机制使得结构耗能主要集中在水平拼缝处,导致该处连接受力纵筋和混凝土应变较大,构件延性和耗能能力与现浇剪力墙相比较差[1,7]。
针对这一问题,本文作者基于能力设计原理[8],提出通过增加水平拼缝部位连接钢筋的方式,使得水平拼缝截面具有较大的抗弯承载力,在罕遇地震作用下能够基本保持弹性,塑性区域则转移至墙板内部其他薄弱部位,从而使得构件的受力特性更接近现浇混凝土剪力墙。基于这一思想,本文作者曾进行了两片水平拼缝部位采用强连接的叠合板式剪力墙试件的拟静力试验研究[9]。试验结果表明,通过水平拼缝的超强设计,可以实现塑性铰向墙板内部的转移,验证了这一方法的可行性。然而由于试件数量较少,无法全面了解构件反应的基本规律。因此,本文设计制作了3片叠合板式剪力墙和1片作为对比的现浇剪力墙试件并进行了拟静力试验,进一步研究了不同轴压比下水平拼缝截面弯曲超强程度对叠合板式剪力墙的抗震性能的影响。
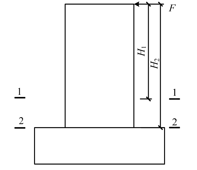
以在顶端承受水平集中荷载的单层悬臂叠合板式剪力墙(图 1)为例介绍水平拼缝部位增强的设计思想。定义1-1截面为连接插筋顶部截面,距加载点距离为H1;2-2截面为叠合板式剪力墙与基础底座的水平拼缝部位,距加载点距离为H2。由于1-1和2-2截面之间部位为基础插筋和墙板纵筋的搭接部位,抗弯承载力相对较大,因此构件上相对薄弱的部位为仅有基础插筋的2-2截面和纵筋面积存在突变的1-1截面附近区域。在水平荷载F作用下,1-1截面的弯矩M1和2-2截面的弯矩M2具有以下关系:

图1 单层悬臂剪力墙示意图
Fig.1 Sketch of the single-story cantilever shear wall
可见,M2值大于M1值。当H2/H1值接近1时,理论上1-1和2-2截面将同时屈服,剪力墙上的塑性部位不会集中在2-2截面,因此不至出现明显的摇摆变形。但当H2/H1值较大时,两截面水平地震作用下的弯矩值差别也较大。若基础插筋面积和墙板内纵筋面积相同,则2-2截面必将成为构件受力的唯一薄弱部位,从而率先进入塑性,导致墙板发生“摇摆”变形。对于多、高层剪力墙结构中的剪力墙,图1中的加载点位置可视为剪力墙的反弯点位置。剪力墙中的反弯点越高,H2/H1值越接近1。然而对于较低结构中的剪力墙,以及高层结构中存在连梁约束的联肢剪力墙,H2/H1往往较大,因此需考虑采用等钢筋面积连接时引起的摇摆变形问题。
为改善这一现象,可增加基础插筋的面积,使2-2截面与 1-1截面的极限抗弯承载力Mu2和Mu1满足以下关系:

可见,当式(2)取等号时,1-1和2-2截面将同时进入屈服状态。取大于号时,1-1截面则将先进入塑性。若Mu2足够大,使得2-2截面在1-1截面达到考虑各种超强因素(如钢筋进入强化段导致强度的提高、混凝土受到箍筋约束导致强度的提高等)的最大抗弯承载力时仍能保持弹性,则地震作用下塑性部位将完全转移至1-1截面附近,2-2截面始终保持弹性。为定量描述2-2截面相对1-1截面的超强程度,定义λ0为2-2截面的弯矩超强系数,则式(2)可表示为:

为研究上述水平拼缝处弯矩超强的做法以及不同超强程度对叠合板式剪力墙抗震性能的影响,设计并制作三个叠合板式剪力墙试件 SW-1~SW-3以及一个作为对比的现浇钢筋混凝土剪力墙试件SW-4进行了拟静力加载试验。试件的尺寸和配筋情况见图2和表1。试件墙肢长度均为1.3 m,加载点到基础顶面距离为3.2 m,剪跨比为2.46。剪力墙厚度均为200 mm。叠合板式剪力墙两侧预制板厚度为50 mm,核心区现浇混凝土厚度为100 mm。剪力墙水平分布钢筋为
10@200,边缘构件箍筋在从基础顶面算起一定高度(SW1~SW3为1200 mm,SW-4为600 mm)范围内为
10@100,其余部位为
10@150。墙板内竖向分布钢筋均为
10@200,边缘构件纵筋均为6
10。通过增加叠合板式剪力墙边缘构件基础插筋的面积来提高水平拼缝截面的抗弯承载力。SW-1、SW2和SW3的弯矩超强系数和相应的边缘构件插筋数量见表1。超强系数两种取值(1.0和1.15)目的是分别考虑1-1截面和2-2截面同时进入塑性,和塑性变形主要发生在1-1截面附近,2-2截面基本保持弹性两种情况。试件SW-1、SW-2的设计轴压比为0.2,SW-3的设计轴压比为0.4。表1可见,轴压比越大,为达到同样的弯矩超强系数,需要的基础插筋面积越大。

图2 试件配筋图
Fig.2 Reinforcement details of the specimens
表1 试件主要参数
Table 1 Parameters of the specimens

混凝土设计强度等级均为C25,实测预制和现浇部分混凝土立方体抗压强度分别为31.3 MPa和28.0 MPa。钢筋强度等级均为HRB400,其力学性能见表2。
表2 钢筋力学性能参数
Table 2 Mechanical properties of the reinforcing bars

试验加载装置如图3所示,水平力由美国MTS公司生产的电液伺服作动器施加,竖向力由油压千斤顶施加。试验过程中,采用外置位移计及电液伺服作动器的内置位移计同时观测剪力墙顶点位移,并由加载控制系统自动记录每一时刻的水平荷载及位移值。在基础插筋上及插筋顶部附近墙板纵筋上设置了钢筋应变片来测量钢筋在加载过程中的应变。试验中先施加恒定竖向荷载,再施加水平荷载。水平加载方式为双向反复加载,加载分两个阶段:试件屈服前采用荷载控制,分五级加载,每级荷载反复一次;试件屈服后改为位移控制,按剪力墙顶部外置传感器测得的试件屈服位移的倍数逐级加载,每级循环三次,直至试件承载力下降到最大承载力的85%左右时或试件破坏时结束试验[10]。

图3 试验加载装置
Fig.3 Test setup
弯矩超强系数λ0为1.15,轴压比为0.2的试件SW-1在水平荷载加载至 80 kN时,剪力墙与基础间水平拼缝部位出现水平裂缝。水平荷载达150 kN时,距离基础顶面约800 mm处的插筋顶部附近出现第二条水平弯曲裂缝。加载至 200 kN时,距基础顶面1300 mm高度范围内出现多条新的裂缝。加载至 250 kN时,多条弯曲裂缝发展为弯剪裂缝。插筋顶部附近裂缝与水平拼缝部位裂缝宽度较大,成为两条主要裂缝。此时插筋顶部附近边缘构件纵筋已达到屈服强度,水平拼缝部位最外侧的插筋的钢筋应变也较大,但未屈服。此后加载进入位移控制阶段。试件顶点位移为20 mm时,插筋顶部附近裂缝的宽度开展较快,其中两条主要裂缝宽度较大,墙体与基础间水平拼缝部位裂缝宽度也略有开展,这一部位的受拉边缘插筋也达到屈服应变。顶点位移达30 mm时,插筋顶部附近受压区保护层混凝土压碎剥落,水平拼缝部位受压边缘混凝土也出现轻微的受压竖向裂缝。顶点位移达50 mm时,插筋顶部附近的受压区混凝土压碎面积大幅增加,受拉边缘的纵筋被拉断。水平拼缝部位混凝土保护层轻微剥落。此时试件顶部施加的水平荷载已降低至峰值荷载的85%以下,试验结束。试件最终的破坏形式和裂缝分布如图4(a)所示。
弯矩超强系数λ0为1.0,轴压比为0.2的试件SW-2出现第一条和第二条弯曲裂缝的荷载值和位置与SW-1相同。当水平荷载达到250 kN左右时,距基础顶面 1250 mm高度范围内陆续出现多条新的裂缝,插筋顶部与水平拼缝部位裂缝成为两条宽度相当的主要裂缝。与SW-1不同的是,插筋顶部附近受力纵筋和水平拼缝部位的基础插筋几乎同时达到屈服应变。试件顶点位移为20 mm时,插筋顶部附近裂缝开展更快,宽度明显大于水平拼缝处的裂缝。在水平拼缝部位受压边缘首先出现混凝土受压竖向裂缝。至顶点位移30 mm时,插筋顶部附近受压边缘混凝土保护层剥落。至顶点位移50 mm时,插筋顶部附近混凝土压碎面积较大,受拉侧边缘构件部分纵筋被拉断。水平拼缝部位裂缝宽度和混凝土压碎范围相对插筋顶部附近较小,但与试件SW-1比均有所增大。试件最终的破坏形式和裂缝分布如图4(b)所示。
弯矩超强系数λ0为1.0,轴压比为0.4的试件SW-3荷载达100 kN时,在水平拼缝部位首先出现弯曲裂缝。当水平荷载达 300 kN时,距基础顶部截面约800 mm高度范围内出现多条弯曲裂缝。荷载达 400 kN时,插筋顶部受力纵筋和水平拼缝处插筋几乎同时达到屈服应变。顶点位移达到20 mm时,插筋顶部截面附近和水平拼缝部位受压边缘均出现混凝土保护层剥落现象。顶点位移达到40 mm时,插筋顶部截面附近混凝土压碎面积增大,部分受拉边缘纵筋被拉断,水平拼缝部位混凝土也局部压碎,在两个部位之间较大范围内受压边缘混凝土出现了竖向受压裂缝。此时正向加载水平荷载已降低至峰值荷载的85%左右,试验结束。试件最终的破坏形式和裂缝分布如图4(c)所示。

图4 试件破坏后的照片及裂缝分布
Fig.4 Photographs and crack patterns of specimens after test
现浇混凝土剪力墙试件 SW-4在水平荷载达80 kN时首先在基础顶面出现弯曲裂缝,荷载达200 kN时,距基础顶面1400 mm高度范围内出现多条弯曲裂缝,部分逐渐发展为弯剪裂缝。宽度较大的几条主裂缝集中在距基础顶面500 mm高度范围内。荷载达 240 kN时,基础顶部剪力墙受拉边缘纵筋达到屈服应变。试件顶点位移达30 mm时,剪力墙根部受压区边缘出现受压竖向裂缝。顶点位移达40 mm时,受压区保护层混凝土剥落。顶点位移达到60 mm时,剪力墙根部受压区混凝土大面积压碎,承载力下降至峰值荷载85%以下。试件最终的破坏形式和裂缝分布如图4(d)所示。
由上述试验现象可知,弯矩超强系数λ0为1.15的试件 SW-1,试验过程中插筋顶部附近墙板纵筋先达到屈服,水平拼缝部位基础插筋到后期也达到屈服,但塑性变形主要出现在插筋顶部附近,而下部区域内裂缝宽度均较小。弯矩超强系数为1.0的试件SW-2和SW-3,水平拼缝部位插筋和插筋顶部附近墙板纵筋几乎同时屈服,两部位均进入塑性阶段,插筋顶部附近混凝土压碎面积更大。轴压比较大的试件SW-3基础顶面和插筋顶部截面之间区域混凝土也出现大范围竖向受压裂缝。三个试件水平拼缝张开宽度均较小,未出现明显的“摇摆”变形。
试件 SW-1~SW-4的滞回曲线和骨架曲线如图5、图 6所示。叠合板式剪力墙试件与现浇混凝土试件的滞回曲线形状没有明显区别,滞回环均较饱满,无明显捏拢现象。轴压比较大的试件SW-3残余变形相对较小。四个试件水平力达到峰值后,随位移的增大均能稳定地保持水平力,直至后期缓慢下降。
表3列出了试件受力过程中开裂点、屈服点、峰值点和极限点几个关键时刻的荷载值。表中屈服点通过等能量法[11]作图得到。极限点取水平力下降至峰值荷载的85%的时刻,若未下降至85%,则取试验结束时刻。表中可见,轴压比为0.4的试件SW-3极限承载力也最大。轴压比同为0.2的三个试件中,叠合板式剪力墙试件由于基础插筋面积的增加导致塑性部位向上转移,因此极限承载力高于现浇混凝土试件。插筋面积较大的试件 SW-1,极限承载力也略大。

图5 试件水平力-顶点位移滞回曲线
Fig.5 Lateral load F-top displacement Δ Hysteresis loops of the specimens

图6 试件力-位移骨架曲线
Fig.6F-Δskeleton curves of the specimens
采用我国混凝土结构设计规范[12]中的方法,根据实测的材料强度计算得到四个试件的极限承载力分别为304.5 kN、304.5 kN、381.8 kN和223.3 kN。可见,实测值均大于理论计算值。这主要是由于在计算时未考虑钢筋的强化以及约束效应对混凝土强度的影响。
几个关键点对应的位移值以及位移延性系数(μ=Δu/Δy,Δu和Δy分别为试件极限位移和屈服位移)和极限位移角(θu=Δu/H,H为加载点到基础顶面的距离)见表3。四个试件极限位移角θu为1/70~1/46,均大于 1/100,满足我国抗震规范对剪力墙结构弹塑性层间位移角限制的要求[13]。试件SW-1和SW-2两个方向的平均极限位移角(1/55和1/57)分别比现浇混凝土试件 SW-4的相应值(1/49)小 10.9%和14.0%,这主要是由于叠合板式剪力墙试件塑性部位向上部转移,因此同样的塑性铰转角引起的顶点位移也相对较小。四个试件位移延性系数为4.13~5.82。轴压比为0.2的三个试件中,SW-1和SW-2两个加载方向的平均延性系数(5.29和5.31),与 SW-4(5.54)相比仅分别小4.5%和4.2%,可见,水平拼缝采用增强连接的叠合板式剪力墙试件延性与现浇混凝土剪力墙相当。此外,轴压比为0.4的试件 SW-3位移延性系数小于其他轴压比为0.2的三个试件。
取每次循环的正反向最大荷载绝对值之和与相应变形绝对值之和的比值作为每一级荷载下割线刚度[10]。四个试件割线刚度随顶点位移的退化曲线如图7所示。几个关键点对应的刚度值也列于表3。可见,轴压比相同的三个试件刚度退化情况相当。由于现浇混凝土强度较预制混凝土低,试件SW-4的开裂刚度和屈服刚度略低于两个叠合板式剪力墙试件。进入塑性阶段之后,由于叠合板式剪力墙试件塑性部位向上部转移,而现浇试件塑性部位在底部,二者之间刚度差距逐渐增大。SW-4极限点对应的刚度值Ku较SW-1和SW-2小23%左右。此外,轴压比0.4的试件SW-3各特征点对应刚度值均明显大于轴压比为0.2的试件。
表3 骨架曲线特征值
Table 3 Characteristic values of the skeleton curves


图7 试件的刚度退化曲线
Fig.7 Stiffness deterioration curves of the specimens
根据《建筑抗震试验方法规程》[10]的规定,采用能量耗散系数 E评估试件的耗能能力。SW-1、SW-2、SW-3和SW-4试件的能量耗散系数分别为0.97、1.12、0.85和0.89。轴压比相同的试件,叠合板式剪力墙试件的耗能能力高于现浇混凝土剪力墙试件。这是由于与现浇混凝土剪力墙仅底部一个塑性区域相比,叠合板式剪力墙中塑性变形同时出现在水平拼缝附近和基础插筋顶部附近两个部位,塑性范围更大。而水平拼缝弯矩超强系数 1.0的试件SW-2塑性范围又大于弯矩超强系数1.15的试件 SW-1,其耗能能力最大。此外,轴压比较大的叠合板式剪力墙试件的耗能能力低于轴压比小的试件。
本文通过3个采用“强连接”叠合板式剪力墙试件和1个作为对比的现浇混凝土剪力墙试件的拟静力试验,研究了不同轴压比下水平拼缝截面弯矩超强程度对叠合板式剪力墙抗震性能的影响,主要得出以下结论:
(1) 水平拼缝处弯矩超强系数λ0为1.15的试件SW-1插筋顶部附近墙板纵筋先达到屈服,水平拼缝部位基础插筋到后期也达到屈服,但塑性变形主要出现在插筋顶部附近。
(2) 水平拼缝处弯矩超强系数为1.0的试件SW-2和SW-3,水平拼缝部位和插筋顶部附近钢筋几乎同时屈服,两部位均产生明显塑性变形,但最终破坏时插筋顶部附近混凝土压碎面积更大。
(3) 弯矩超强系数相同的两个试件相比,轴压比较大的试件在两个薄弱部位之间较大范围内受压边缘混凝土出现了竖向裂缝,混凝土压碎范围更大。
(4) 三个采用“强连接”的叠合板式剪力墙试件水平拼缝张开宽度均较小,未出现明显的“摇摆”变形。考虑到经济性因素,建议设计时水平拼缝截面弯矩超强系数可取1.0。
(5) 轴压比为0.2的三个试件中,叠合板式剪力墙试件由于基础插筋面积的增加导致塑性部位向上转移,极限承载力高于现浇混凝土试件。
(6) 四个试件位移延性系数为4.13~5.82,极限顶点位移角θ为1/70~1/46,满足规范对剪力墙结构弹塑性层间位移角限值的要求。
(7) 相同轴压比的拼缝部位增强连接叠合板式剪力墙试件延性和刚度退化情况与现浇混凝土试件相当。
(8) 拼缝部位增强连接的叠合板式剪力墙试件的耗能能力高于现浇混凝土剪力墙试件。
(9) 轴压比较大的试件的承载力高于轴压比较小试件,耗能能力、延性和刚度退化程度均低于轴压比小的试件。
参考文献:
[1]张伟林, 沈小璞, 吴志新, 等.叠合板式剪力墙T型、L型墙体抗震性能试验研究[J].工程力学, 2012, 29(6):196―201.Zhang Weilin, Shen Xiaopu Wu Zhixin, et al.Experimental study of seismic performance on T and L types superimposed-slab-shear-walls structure [J].Engineering Mechanics, 2012, 29(6): 169―201.(in Chinese)
[2]王滋军, 李向民, 王宇, 等.带有约束边缘构件的预制叠合剪力墙抗震性能试验研究[J].中南大学学报,2016, 47(8): 2759―2767.Wang Zijun, Li Xiangmin, Wang Yu, et al.Experimental study on seismic behavior of reinforced concrete composite shear wall with confined boundary member[J].Journal of Central South University, 2016, 47(8):2759―2767.(in Chinese)
[3]朱张峰, 郭正兴.装配式混凝土剪力墙结构空间模型抗震性能试验[J].工程力学, 2015, 32(4): 153―159.Zhu Zhangfeng, Guo Zhengxing.Research on seismic performance of a spatial model of a new precast concrete shear wall structure[J].Engineering Mechanics, 2015,32(4): 153―159.(in Chinese)
[4]Belleri, A.Displacement based design for precast concrete frames with not-emulative connections [J].Engineering Structures, 2017, 141 (15): 228―240.
[5]Khanmohammadi M, Heydari S.Seismic behavior improvement of reinforced concrete shear wall buildings using multiple rocking systems[J].Engineering Structures, 2015, 100: 577―589.
[6]Smith B J, Kurama Y C, McGinnis M J.Behavior of precast concrete shear walls for seismic regions:Comparison of hybrid and emulative specimens[J].Journal of Structural Engineering, 2013, 139(11): 1917―1927.
[7]种迅, 叶献国, 徐林, 等.半装配式工字形横截面钢筋混凝土剪力墙抗震试验研究[J].工程力学, 2013,30(2): 247―253.Chong Xun, Ye Xianguo, Xu Lin, et al.Test on seismic behavior of I-shaped cross section semi-precast reinforced concrete shear walls [J].Engineering Mechanics, 2013, 30 (2): 247―253.(in Chinese)
[8]Park R, Paulay T.Reinforced concrete structures [M].New York: John Wiley & Sons, 2009.
[9]种迅, 叶献国, 蒋庆, 等.水平拼缝部位采用强连接叠合板式剪力墙抗震性能研究[J].建筑结构, 2015,45(10): 43―48.Chong Xun, Ye Xianguo, Jiang Qing, et al.Seismic performance study of the superimposed shear wall with strong connection in horizontal connection [J].Building Structures, 2015, 45 (10): 43―48.(in Chinese)
[10]JGJ/T 101-2015, 建筑抗震试验方法规程[S].北京: 中国建筑工业出版社, 2015.JGJ/T 101-2015, Specification for seismic test of buildings [S].Beijing: China Building Industry Press,2015.(in Chinese)
[11]Mahin S A, Bertero V V.Problems in establishing and predicting ductility in structural design [J].Proceedings of the International Symposium on Earthquake Structural Engineering, St.Louis, Missouri, 1976, 1: 613―628.
[12]GB 50010-2010, 混凝土结构设计规范[S].北京:中国建筑工业出版社, 2010.GB 50010-2010, Code for design of concrete structures[S].Beijing: China Building Industry Press, 2010.(in Chinese)
[13]GB 50011-2010, 建筑抗震设计规范 [S].北京: 中国建筑工业出版社, 2010.GB 50011-2010, Code for seismic design of buildings[S].Beijing: China Building Industry Press, 2010.(in Chinese)
EXPERIMENTAL STUDY ON ASEISMIC PERFORMANCE OF SUPERIMPOSED RC WALLS WITH ENHANCED HORIZONTAL JOINTS
CHONG Xun1,2, WAN Jin-liang1, JIANG Qing1,2, YE Xian-guo1,2, WANG De-cai3,XING Wei4, SHAO Hui-bin4
(1.School of Civil Engineering, Hefei University of Technology, Hefei 230009, China;2.Anhui Provincal Laboratory of Civil Engineering and Material, Hefei 230009, China;3.College of Architecture and Art, Hefei University of Technology, Hefei 230601, China; 4.Sievert-baoye Precast Co., Ltd., Hefei 230601, China)
Abstract:For the Superimposed RC (SIRC) walls, when the amount of the connecting reinforcement at the horizontal joints equals to that of the longitudinal reinforcement in the precast panels, significant rocking characteristic will appear under lateral loads, and the aseismic performance could not be equivalent to the cast-in-place RC walls.To improve this situation, the “strong connection” manner for the SIRC walls is proposed.That is, through increasing the flexural capacity of the horizontal joints, the inelastic region of the SIRC walls will be transferred from the horizontal joints to the panels, inducing a seismic behavior which is more similar with that of the cast-in-place RC walls.Quasi-static test of three SIRC walls with “strong connections” and one cast-in-place RC wall was conducted to evaluate the effect of the flexural over-strength ratio of the horizontal joints to the aseismic behavior of the SIRC walls under different axial load ratios.The test results indicate that the inelastic behavior of the SIRC wall with ‘strong connections’ occurred both near the top of the protruding reinforcement in the wall panels and at the horizontal joints.The deformation manner of SIRC walls is similar with that of the cast-in-place RC walls, and the rocking deformation mode was avoided; the more the flexural over-strength ratio is, the later the protruding reinforcement yielded; the ductility and stiffness deterioration of the SIRC specimens are comparable to those of the cast-in-place specimen with the same axial load ratio, while the energy dissipation capacity of the SIRC specimens is even higher.
Key words:superimposed RC wall; horizontal joints; strong connections; flexural over-strength ratio;quasi-static tests; seismic behavior
中图分类号:TU375.2; TU317+.1
文献标志码:A
doi:10.6052/j.issn.1000-4750.2016.12.1004
文章编号:1000-4750(2018)04-0107-08
收稿日期:2016-12-27;修改日期:2017-04-23
基金项目:国家自然科学基金项目(51278519,50908071);中国博士后基金项目(2016M602006)
通讯作者:蒋 庆(1984―),男,安徽蚌埠人,副教授,工学博士,从事结构工程研究(E-mail: ahhfjq@163.com).
作者简介:种 迅(1978―),女,河北辛集人,教授,工学博士,从事结构工程研究(E-mail: chongxun@hfut.edu.cn);
万金亮(1991―),男,湖北洪湖人,硕士生,从事结构工程研究(E-mail: wanjinlianghfut@163.com);
叶献国(1954―),男,安徽无为人,教授,工学博士,从事结构工程研究(E-mail: hfuttjyxg@ hfut.edu.cn);
王德才(1982―),男,安徽肥东人,副研究员,工学博士,从事结构工程研究(E-mail: wdecai@hfut.edu.cn);
邢 伟(1988―),男,安徽合肥人,高级工程师,工学学士,从事结构工程研究(E-mail: 691605919@qq.com);
邵徽斌(1983―),男,安徽合肥人,高级工程师,工学学士,从事结构工程研究(E-mail: 32195610@qq.com).