郑山锁,刘 巍,左河山,董立国,李强强
(西安建筑科技大学土木工程学院,陕西,西安,710055)
摘 要:为了研究近海大气环境下锈蚀RC框架梁的抗震性能,采用人工气候加速腐蚀方法对8榀剪跨比分别为2.6和5 (λ=2.6和λ=5)的RC框架梁进行腐蚀试验,进而进行拟静力试验,研究锈蚀程度和剪跨比对RC框架梁抗震性能的影响。结果表明:随着钢筋锈蚀程度的增加,RC框架梁破坏时剪切变形所占的比例增大,破坏过程更加迅速,延性更差。另外,随着钢筋锈蚀程度的增加,RC框架梁的强度、变形能力和耗能能力都逐渐降低,尤其是对剪跨比较小的框架梁,降低幅度更大。因此,钢筋锈蚀对剪跨比较小的RC框架梁抗震性能影响更加严重。同时,该文拟合出锈蚀RC框架梁延性系数、功比指数及累积耗能与剪跨比和锈蚀率之间的关系曲线,为锈蚀劣化RC框架梁抗震性能的定量分析提供理论依据。
关键词:RC框架梁;钢筋锈蚀;剪跨比;拟静力试验;抗震性能
近海大气环境下RC框架结构易遭受氯离子侵蚀,而引起钢筋锈蚀。钢筋锈蚀会造成钢筋有效截面面积减小和钢筋力学性能的退化,同时由于锈蚀产物体积膨胀,造成保护层混凝土沿纵向钢筋开裂,削弱了钢筋和混凝土之间的黏结性能,对结构和构件的抗震性能均产生不利的影响。目前国内外很多学者对钢筋锈蚀劣化的结构构件进行了大量研究,史庆轩[1]、贡金鑫[2]和Meda A[3]均进行了锈蚀RC框架柱的抗震性能试验研究,并得出适用于RC框架柱的恢复力模型;郑山锁[4]和戴靠山[5]对锈蚀RC框架节点进行拟静力试验,并对锈蚀节点抗震性能进行研究;郑山锁[6]和山川哲雄[7]进行了锈蚀RC剪力墙的抗震性能试验研究,并得出各抗震性能指标随锈蚀程度变化的衰变规律;袁迎曙[8]和Ou Yuchen[9]进行了锈蚀 RC框架梁的抗震性能试验研究,但文中没有考虑剪跨比的影响。
我国拥有漫长的海岸线,很多沿海建筑中的RC框架结构易遭受盐害的侵蚀,而引起钢筋锈蚀,进而造成结构构件抗震性能发生退化。同时,我国又是一个地震多发的国家,大量处于近海大气环境下的RC框架结构亦处于地震设防区。其中,RC框架梁是框架结构中的主要受力构件,因此研究近海大气环境下钢筋锈蚀对RC框架梁抗震性能的影响显得尤其重要。
基于此,本文依托西安建筑科技大学结构与抗震教育部实验室,采用先进的人工气候环境加速腐蚀实验技术对 RC框架梁试件进行了加速腐蚀试验,进而对锈蚀RC框架梁试件进行拟静力试验,系统研究了钢筋锈蚀劣化对不同剪跨比RC框架梁破坏形态及抗震性能的影响。该成果将为近海大气环境下RC框架结构易损性建模分析提供重要的理论依据。
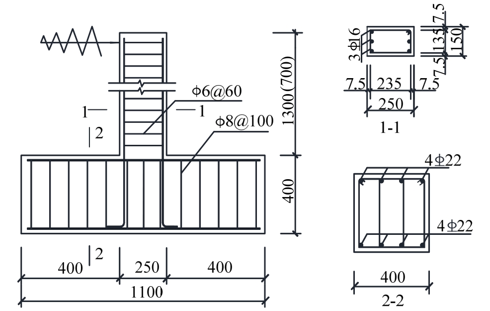
本试验参考《高层建筑混凝土结构技术规程》[10],分别设计了4榀剪跨比为5 (λ=5)的RC框架长梁和4榀剪跨比为2.6 (λ=2.6)的RC框架短梁,截面尺寸均为150 mm×250 mm,高度分别为1300 mm 和700 mm,受拉和受压纵筋分别采用 3
16,配筋率分别为1.6%,箍筋为φ6@60。各试件的设计参数见表1,试件模板配筋见图1。
表1 试件设计参数
Table 1 Design parameters of specimens


图1 试件尺寸及配筋
Fig.1 Dimensions and reinforcements of specimens
本次试验混凝土的强度等级为C30,采用 P.O 42.5R水泥配制,配合比为水泥∶水∶天然中砂∶碎石=390∶120∶885∶890,试件纵筋采用HRB335钢筋,箍筋采用HPB300钢筋。通过材料性能试验,获得养护28d混凝土、纵筋和箍筋的力学性能参数如表2、表3所示。
表2 混凝土力学性能
Table 2 Mechanical properties of concrete

目前,国内外学者研究钢筋锈蚀对构件力学性能的影响,大多采用恒电流通电的方法[11-12]达到加速钢筋锈蚀的目的。文献[13]指出采用恒电流通电法与自然环境下钢筋锈蚀原理和锈蚀效果不同,因此为了揭示近海大气环境下钢筋锈蚀对RC框架梁抗震性能的影响,本文采用与自然环境中钢筋锈蚀原理和效果相同的人工气候环境加速腐蚀实验技术对RC框架梁试件进行了加速腐蚀试验,以模拟近海大气环境中考虑钢筋锈蚀劣化的RC框架梁试件。试件制作时DL-1和CL-1作为对比试件,不进行锈蚀试验,其余加速锈蚀试件按照文献[6]中的方法在浇筑混凝土时掺加水泥重量5%的NaCl,试件自然养护28 d后脱膜,之后移入人工气候试验室(温度 45℃,湿度 90%)进行喷淋盐雾快速锈蚀。为了加速试件的腐蚀速度,模拟干湿循环的实际环境,试验时采用间断喷盐雾的方式,以1 h为周期,设定盐雾喷洒20 min后间歇40 min,以使得人工气候模拟试验室内的盐雾浓度恒定。
表3 钢筋力学性能
Table 3 Mechanical properties of reinforcements

文献[14—15]指出可以采用锈胀裂缝宽度来表征试件的锈蚀程度。基于文献[14—15]的大量试验结果,本文对不同锈蚀程度的锈胀裂缝宽度进行了设定,见表1。将养护完成的试件放入人工气候实验室进行加速腐蚀,定期进入室内观测试件表面锈胀裂缝发展情况,加速锈蚀时间由试件表面锈胀裂缝宽度确定。试件加速锈蚀的过程中,采用精度为0.01 mm,量程为0~10 mm的裂缝观测仪对试件表面沿纵筋方向的锈胀裂缝宽度进行观测,并取裂缝宽度平均值作为该试件的锈胀裂缝宽度,当其达到设计锈蚀程度所对应的裂缝宽度后,停止对相应试件的腐蚀。
本试验所有试件均采用位移控制加载,加载装置如图2所示,各试件加载制度示意图见图3。为了准确的获得RC框架梁试件开裂、屈服时的梁顶水平荷载与位移特征值,在RC框架梁试件达到屈服状态之前,选取较小水平位移级差进行加载,每级控制位移循环1次;框架梁加载至屈服状态后,以屈服时水平位移(Δy)的0.5倍为级差进行加载,每级控制位移循环3次;当加载到RC框架梁试件明显失效或试件破坏明显时停止加载。

图2 试验加载装置
Fig.2 Experimental equipment for cycle loading

图3 加载制度
Fig.3 Schematic diagram of loading process
试验完成后,截取试验完成后RC框架梁试件塑性铰区一定长度的纵筋和箍筋,见图 4,发现靠近保护层钢筋的一侧比远离保护层钢筋的一侧表面锈蚀严重,钢筋锈蚀呈现出不均匀性,且锈蚀严重的钢筋表面出现坑蚀现象,这与文献[13]中的结论一致。刮去截取钢筋表面附着的残余混凝土,用12%的盐酸溶液进行酸洗,锈蚀产物被洗涤干净后,用石灰水中和,最后用清水洗净、擦干,之后在干燥容器中存放4 h~6 h,用分析天平秤其重量,并测量其长度,计算出钢筋锈蚀后单位长度的质量,与未锈蚀钢筋样本的单位长度质量进行对比,按下式计算钢筋锈蚀率[6](见表4)。

图4 各试件钢筋锈蚀对比
Fig.4 Comparison of steel corrosion of specimens
表4 钢筋锈蚀质量损失率
Table 4 Mass loss ratio of corroded reinforcement

式中:ρm为钢筋的平均锈蚀率;g0为未锈蚀钢筋的质量;g为锈蚀后钢筋的质量。
由表4可知,随着锈胀裂缝宽度的增加,箍筋和纵筋的质量损失率逐渐增加,但箍筋的锈蚀程度比纵筋严重,这是因为箍筋初始直径较小且混凝土保护层较薄,氯离子通过表层混凝土渗透至钢筋表面,靠近保护层的箍筋首先脱钝,进而箍筋处首先发生电化学反应。
图5为诸试件最终破坏状态,各试件的破坏过程和破坏状态描述如下:
未经人工气候实验室腐蚀的完好试件 CL-1水平位移为+2.7 mm时,在距梁底部约100 mm处出现第一条水平裂缝,试件进入弹塑性开裂阶段;随着水平位移的增大,梁底部水平裂缝逐渐增多。当控制位移达到+10.8 mm时(滞回曲线的屈服点),基本不再出现新裂缝,此时梁底部水平裂缝较多、斜裂缝较少,受拉钢筋屈服;屈服后继续加载,水平裂缝宽度加宽,且裂缝斜向发展,形成弯剪斜裂缝,梁底角部混凝土开始压碎,混凝土开始剥落;控制位移达到+54 mm(滞回曲线峰值点)时,梁底角部混凝土严重压碎、剥落,钢筋外露;加载后期,塑性铰区混凝土保护层大面积脱落,纵筋屈曲,框架梁宣告破坏,其破坏形态呈以弯曲变形为主的弯剪破坏,延性较好。轻微锈蚀的试件 CL-2其破坏过程和破坏形态与CL-1相似。中等锈蚀的试件CL-3和严重锈蚀的试件CL-4,随着钢筋锈蚀程度增加,试件开裂荷载、屈服荷载、峰值荷载逐渐减小,裂缝间距变大,裂缝宽度变宽,当框架梁破坏时,梁底塑性铰区斜裂缝发展明显,其破坏形态呈以剪切变形为主的弯剪破坏,破坏过程更加迅速,延性较差。
未经人工气候实验室腐蚀的完好试件DL-1,当水平位移为+1.2 mm 时,在距梁底部 50 mm~100 mm之间出现第一条水平裂缝,试件进入弹塑性开裂阶段;当控制位移为5 mm时(滞回曲线的屈服点),梁底部出现弯剪斜裂缝,受拉钢筋屈服;屈服后继续加载,弯剪斜裂缝逐渐发展为主裂缝;控制位移为+15 mm时(滞回曲线峰值点),梁底角部混凝土严重压碎、剥落;加载后期,塑性铰区混凝土保护层大面积脱落,纵筋屈曲,试件破坏时剪切变形较CL-1明显,且破坏过程更加迅速,延性较差。轻微锈蚀的试件DL-2、中等锈蚀的试件DL-3和严重锈蚀的DL-4试件破坏时剪切变形均较 CL-2、CL-3和CL-4明显,且破坏过程更加迅速,延性较差。

图5 试件裂缝分布和破坏状态
Fig.5 Crack distribution and failure patterns of specimens
对比剪跨比相同而锈蚀程度不同的试件CL-1、CL-2、CL-3和CL-4(或 DL-1、DL-2、DL-3和DL-4)可以发现,随着钢筋锈蚀程度的增加,试件破坏时剪切变形所占比例越大,延性变差,裂缝间距越大,裂缝宽度越宽,这主要是由于纵向钢筋锈蚀削弱了钢筋与混凝土之间黏结性能,使钢筋中应力通过黏结应力传递给混凝土时所需传力长度增大,从而导致裂缝间距的增大,裂缝宽度与裂缝间距成正比[16],因此裂缝宽度也增大。
对比锈蚀程度接近而剪跨比不同的试件 CL-1和DL-1(或CL-2和DL-2,CL-3和DL-3,CL-4和DL-4)可以发现,剪跨比越小,斜裂缝出现的越早,破坏过程越迅速,破坏时剪切变形越明显,延性亦越差,这主要是由于剪跨比较小时,在集中力与底座之间存在较大主拉应力,而对剪跨比较大的梁,主拉应力则较小,从而导致剪跨比越小的梁斜裂缝出现的越早,斜裂缝出现后快速发展成为主斜裂缝,加速破坏过程。
试验测得 8榀试件的P-Δ滞回曲线,如图 6所示。对比分析各试件滞回曲线可知,试件屈服前,加载和卸载刚度基本无退化,卸载后几乎无残余变形,滞回曲线近似呈直线,滞回耗能较小;试件屈服后,随控制位移的增大,试件的加载和卸载刚度逐渐退化,卸载后残余变形增大,滞回环面积亦增大,形状近似呈梭形,无明显的捏缩现象,表明试件具有良好的耗能能力;达到峰值荷载后,随着控制位移的增大,试件加载和卸载刚度退化更加明显,卸载后残余变形继续增大,滞回环呈反S形,试件耗能能力减小。
由于剪跨比和锈蚀程度不同,各试件又表现出不同的滞回耗能。当剪跨比相同时,随着钢筋锈蚀程度的增大,滞回曲线丰满程度和滞回环的面积逐渐减小;屈服荷载后,屈服平台段变短,承载能力减小;峰值荷载后,滞回曲线捏拢程度逐渐增加,破坏时梁顶水平位移逐渐减小,表明剪跨比相同试件的承载、变形和耗能能力随着锈蚀程度的增大逐步退化。
锈蚀程度接近时,剪跨比较大的试件,滞回曲线相对较丰满,屈服荷载后,屈服平台段较长,承载力较小;峰值荷载后,滞回曲线捏拢程度较小,破坏时梁顶水平位移较大;剪跨比较小的试件,滞回曲线相对较窄小,屈服荷载后,屈服平台段较短,承载力较大;峰值荷载后,滞回曲线捏拢程度较大,破坏时梁顶水平位移较小;表明锈蚀程度接近的试件,随着剪跨比的减小,承载能力提高,但试件变形和耗能能力变差。

图6 试件的滞回曲线
Fig.6 Hysteric curves of specimens
按照文献[4]中提到的方法计算各试件的平均骨架曲线,如图7所示。根据平均骨架曲线得到各RC框架梁试件的屈服荷载(Py)、屈服位移(Δy)、峰值荷载(Pc)、峰值位移(Δc)、极限荷载(Pu)、极限位移(Δu)、延性系数(μ)和延性降低率(Δμ)计算结果见表5。其中屈服点采用“能量等值法”确定,极限荷载取85%的峰值荷载,极限位移为对应于极限荷载的位移。以延性系数μ来表征RC框架梁的延性性能,计算公式如下[17]:

式中,Δu、Δy分别为试件的极限位移和屈服位移。
为了对比不同剪跨比 RC框架梁延性的变化率,本文引入延性降低率的概念,按式(3)进行计算。

式中:Δμ为试件的延性降低率;μ0和μ分别为未锈蚀试件与锈蚀试件的延性系数。
另外,本文拟合出RC框架梁延性系数与剪跨比和锈蚀率之间的的关系曲线见下式,其拟合优度

式中:ηs为纵筋的锈蚀率;λ为RC框架梁的剪跨比。
由图7和表5可知如下结论。
1) 剪跨比相同而锈蚀程度不同的试件,锈蚀后各试件的屈服荷载、峰值荷载和极限荷载均低于完好试件,且随着锈蚀程度的增加,试件的各荷载特征参数呈降低趋势;试件屈服前,骨架曲线基本重合,刚度变化不大;试件屈服后,随着钢筋锈蚀程度的增加,锈蚀试件承载力降低,骨架曲线平直段逐渐变短,延性变差,延性降低率变大;峰值荷载后,骨架曲线下降段逐渐变陡,极限位移减小,表明剪跨比相同试件的承载和变形能力随着锈蚀程度的增大逐步退化。
2) 锈蚀程度接近时,剪跨比较大的试件,达到屈服荷载后,承载力较小,骨架曲线屈服平台段较长,延性较好,延性降低率较小;峰值荷载后,骨架曲线下降段较平缓,极限位移较大;剪跨比较小的试件,达到屈服荷载后,承载力较大,骨架曲线屈服平台段较短,延性较差,延性降低率较大;峰值荷载后,骨架曲线下降段较陡峭,极限位移较小;表明锈蚀程度接近的试件,随着剪跨比的减小,承载能力提高,延性变差,且延性降低率变大,因此钢筋锈蚀对剪跨比较小RC框架梁延性变化影响较大。

图7 试件骨架曲线对比
Fig.7 Skeleton curves contrast of specimens
表5 试件特征参数
Table 5 Parameters of beam specimens

为了准确揭示RC框架梁试件随锈蚀程度增加的衰减规律,本文取承载力正反两方向的平均值作为强度指标。不同剪跨比和钢筋锈蚀程度的试件在屈服后的强度退化关系与加载级数N的关系如图8所示。其中,i为屈服荷载之后同级位移幅值下的循环次数(i=1,2,3),iP和Pi0分别为屈服荷载之同级位移幅值下第i次循环的荷载峰值和第1次循环的荷载峰值。
为了量化钢筋锈蚀对强度退化的影响,本文引入强度衰减率的概念,按下式进行计算:
式中:γ为强度衰减率;P1和P3分别为同级位移幅值下第1次循环的荷载峰值和第3次循环的荷载峰值,计算结果见表6。
由图8和表6可知:
1) 剪跨比相同而锈蚀程度不同的试件,锈蚀后各试件在同级位移幅值下的强度衰减均比完好试件快,且随着锈蚀程度的增加,衰减程度越厉害,峰值和极限强度强度衰减率呈上升趋势,表明随着锈蚀程度的增加,RC框架梁试件强度衰减加快,尤其是峰值荷载之后,该现象更加明显。主要是因为峰值荷载之后钢筋锈蚀使得钢筋与混凝土之间的黏结作用和箍筋约束核心区混凝土的能力大大削弱,并且塑性铰区纵向钢筋发生屈曲,强度衰减加快。

图8 试件强度衰减规律
Fig.8 Strength attenuation law of specimens
表6 强度衰减率
Table 6 Strength reduction rate

2) 锈蚀程度接近时,剪跨比较大的试件,同级位移幅值下强度衰减较慢,峰值和极限强度衰减率较小;剪跨比较小试件,同级位移幅值下强度衰减较快,峰值和极限强度衰减率较大。表明随着剪跨比的减小,强度衰减变快,且峰值和极限强度衰减率亦变大,尤其严重锈蚀的试件DL-4强度衰减率大于40%,说明钢筋锈蚀对剪跨比较小的RC框架梁强度衰减影响较大。
本文采用等效黏滞阻尼系数he、功比指数Iw和累积耗能E来描述剪跨比和锈蚀程度对RC框架梁滞回耗能特性的影响,等效黏滞阻尼系数
计算公式如下:
式中:面积SABC+SCDA为荷载正反交变一周时结构所耗散的能量;SOBE和SODF为理想弹性结构在达到相同位移时所吸收的能量,如图9所示。

图9 黏滞阻尼系数计算示意图
Fig.9 Calculation diagram of energy dissipation coefficient
功比指数Iw的计算公式如下[16]:
式中:Pi、δi分别为第i次循环时卸载点的荷载和位移值;Py、δy分别为屈服荷载和屈服位移值。RC框架梁的黏滞阻尼系数、功比指数和累积耗能计算结果见表7。
另外,本拟合出RC框架梁功比指数Iw和累积耗能E与剪跨比和锈蚀率之间的的关系曲线见式(8)和式(9),其拟合优度R2分别为0.98和0.95。

式中:ηs为纵筋的锈蚀率;λ为RC框架梁的剪跨比。
表7 试件耗能性能指标
Table 7 Hysteretic energy dissipation indicators

由表7可知:
1) 剪跨比相同而锈蚀程度不同的试件,锈蚀后各试件的功比指数峰值和极限状态的黏滞阻尼系数均低于完好试件,且随着锈蚀程度的增加,试件的各项耗能指标呈降低趋势,尤其严重锈蚀的试件DL-4与未锈蚀的试件DL-1相比,累积耗能降低了约30%,表明剪跨比相同试件,随着锈蚀程度的增加,耗能能力逐渐变差。
2) 锈蚀程度接近而剪跨比不同的试件,随着剪跨比的减小,功比指数越小,峰值和极限状态的黏滞阻尼系数越小,累积耗能亦越小,尤其是低剪跨比锈蚀严重的试件DL-4其耗能能力最差,表明锈蚀程度试件,随着剪跨比的减小,耗能能力逐渐变差。
本文通过8榀RC框架梁的人工气候环境模拟加速腐蚀,进而拟静力加载试验,系统地研究了钢筋锈蚀程度和剪跨比对RC框架梁破坏形态、强度衰减、变形能力和耗能能力等抗震性能指标的影响规律,结论如下:
1) RC框架梁试件的破坏形态随着钢筋锈蚀程度的不同发生不同的变化,主要表现为:随着钢筋锈蚀程度的增加,RC框架梁破坏时剪切变形所占的比例增大,破坏过程更加迅速,延性变差。
2) 随着钢筋锈蚀程度的增加,RC框架梁试件的强度、变形能力和耗能能力都逐渐降低,尤其是对剪跨比较小的框架梁,降低幅度更大。因此,钢筋锈蚀对剪跨比较小的RC框架梁抗震性能影响更加严重。
3) 本文拟合出锈蚀RC框架梁延性系数、功比指数和累积耗能与剪跨比和锈蚀率之间的关系曲线,为不同剪跨比下锈蚀劣化RC框架梁抗震性能的定量分析提供理论依据。
参考文献:
[1]史庆轩, 牛荻涛, 颜桂云.反复荷载作用下锈蚀钢筋混凝土压弯构件恢复力性能的试验研究[J].地震工程与工程振动, 2000, 20(4): 44―50.Shi Qingxuan, Niu Ditao, Yan Guiyun.Experimental research on hysteretic characteristics of RC.members with flexural and compressive axial corroded loads under repeated horizontal loading [J].Earthquake Engineering and Engineering Vibration, 2000, 20(4): 44―50.(in Chinese)
[2]贡金鑫, 仲伟秋, 赵国藩.受腐蚀钢筋混凝土偏心受压构件低周反复性能的试验研究[J].建筑结构学报,2004, 25(5): 92―97.Gong Jinxin, Zhong Weiqiu, Zhao Guofan.Experimental study on low-cycle behavior of corroded reinforced concrete member under eccentric compression [J].Journal of Building Structures, 2004, 25(5): 92―97.(in Chinese)
[3]Meda A, Mostosi S, Rinaldi Z, et al.Experimental evaluation of the corrosion influence on the cyclic behaviour of RC columns[J].Engineering Structures,2014, 76: 112―123.
[4]郑山锁, 孙龙飞, 刘小锐, 等.近海大气环境下锈蚀RC框架节点抗震性能试验研究[J].土木工程学报,2015(12): 63―71.Zheng Shansuo, Sun Longfei, Liu Xiaorui, et al.Experimental research on seismic behaviors of beam-column ,joints of corroded RC frame in the coastal atmosphere [J].China Civil Engineering Journal,2015(12): 63―71.(in Chinese)
[5]戴靠山, 袁迎曙.锈蚀框架边节点抗震性能试验研究[J].中国矿业大学学报, 2005, 34(1): 51―56.Dai Kaoshan, Yuan Yingshu.Experimental study on seismic performance of corroded exterior joints in rc frame [J].Journal of China University of Mining &Technology, 2005, 34(1): 51―56.(in Chinese)
[6]郑山锁, 秦卿, 杨威, 等.近海大气环境下低矮 RC剪力墙抗震性能试验[J].哈尔滨工业大学学报, 2015,47(12): 64―69.Zheng Shansuo, Qin Qing, Yang Wei, et al.Experimental research on the seismic behaviors of squat RC shear walls under offshore atmospheric environment [J].Journal of Harbin Institute of Technology, 2015, 47(12):64―69.(in Chinese)
[7]山川哲雄, 玉城康哉, 森永繁, et al.21060 亜熱帯の塩害環境下における耐力壁の耐震性と耐久性に関する実験的研究 : その 3.実験結果の解析と考察[J].学術講演梗概集: c, 構造ii, 1993, 1993: 273―274.Tetsuo Tamaki, Koya Yamakawa, Morinaga Shigeru, et al.Experimental study on the seismic behavior and the durability of the semitropical marine environment: Part 3.Analysis and study of experimental results [J].Summary of Academic Speeches: C, II Structure, 1993: 273―274.
[8]袁迎曙, 贾福萍, 蔡跃.锈蚀钢筋混凝土梁的结构性能退化模型[J].土木工程学报, 2001, 34(3): 47―52.Yuan Yingshu, Jia Fuping, Cai Yue.The structural behavior degradation model for corroded reinforced concrete beams [J].China Civil Engineering Journal,2001, 34(3): 47―52.(in Chinese)
[9]Ou Yuchen, Chen H H.Cyclic Behavior of Reinforced Concrete Beams with Corroded Transverse Steel Reinforcement[J].Journal of Structural Engineering,2014, 140(9): 758―782.
[10]JGJ 3-2010, 高层建筑混凝土结构技术规程[S].中国建筑工业出版社, 2011.JGJ 3-2010, Technical specification for concrete structures of high-rise building [S].China Architecture &Building Press, 2011.(in Chinese)
[11]曾严红, 顾祥林, 张伟平,等.混凝土中钢筋加速锈蚀方法探讨[J].结构工程师, 2009, 25(1): 101―105.Zeng Yanhong, Gu Xianglin, Zhang Weiping, et al.Accelerated corrosion technique for reinforcement steel bars in concrete[J].Structural Engineers, 2009, 25(1):101―105.(in Chinese)
[12]干伟忠, 金伟良, 高明赞.混凝土中钢筋加速锈蚀试验适用性研究[J].建筑结构学报, 2011, 32(2): 41―47.Gan Weizhong, Jin Weiliang, Gao Mingzan.Applicability study on accelerated corrosion methods of steel bars in concrete structure [J].Journal of Building Structures,2011, 32(2): 41―47.(in Chinese)
[13]袁迎曙, 章鑫森, 姬永生.人工气候与恒电流通电法加速锈蚀钢筋混凝土梁的结构性能比较研究[J].土木工程学报, 2006, 39(3): 42―46.Yuan Yingshu, Zhang Xinsen, Ji Yongsheng.A comparative study on structural behavior of deteriorated reinforced concrete beam under two different environments [J].Journal of Building Structures, 2006, 39(3): 42―46.(in Chinese)
[14]金伟良.氯盐环境下混凝土结构耐久性理论与设计方法[M].北京: 科学出版社, 2011.Jin Weiliang.Theory and design method of concrete structure durability in chloride environment [M].Beijing:Science Press, 2011.(in Chinese)
[15]郑山锁, 左河山, 刘巍, 等.一般大气环境下低剪跨比RC框架梁抗震性能试验研究[J].工程力学, 2017,34(7): 186―194.Zheng Shansuo, Zuo Heshan, Liu Wei, et al.Experimental Resear on Aseismic behaviors of RC frame beams of low shear span ration in general atmospheric environment [J].Engineering Mechanics, 2017, 34(7):186―194.(in Chinese)
[16]过镇海.钢筋混凝土原理[M].北京: 清华大学出版社,2013.Guo Zhenhai.The principle of reinforced concrete [M].Beijing: Tsinghua University Press, 2013.(in Chinese)
[17]姚谦峰, 陈平.土木工程结构试验[M].北京: 中国建筑工业出版社, 2007.Yao Qianfeng, Chen Ping.Civil engineering structural experiment [M].Beijing: China Architecture & Building Press, 2007.(in Chinese)
ASEISMIC PERFORMANCE TEST OF RC FRAME BEAMS CONSIDERING CORROSION WITH DIFFERENT SHEAR SPAN RATIO IN THE COASTAL ATMOSPHERE
ZHENG Shan-suo , LIU Wei , ZUO He-shan , DONG Li-guo , LI Qiang-qiang
(School of Civil Engineering, Xi’an University of Architecture and Technology, Xi’an, Shaanxi 710055, China)
Abstract:In order to study the aseismic performance of corroded RC frame beams in coastal atmosphere, the accelerated corrosion test of 8 RC frame beams with shear span ratio being 2.6 and 5 were conducted by applying the technique of artificial climate accelerated corrosion, and the quasi-static test were then carried out to research the effect of corrosion degree and shear span ratio on the aseismic behavior of RC frame beams.The analytical results show that with the increase of the degree of corrosion, the more proportion of shear deformation of the specimens would be brought out in the damage state, and that the damage process would be more rapid and the ductility would be worse.In addition, with the increase of the degree of corrosion of the reinforcement, the strength, the deformation capacity and energy dissipation capacity of RC frame beams would be gradually reduced, especially for the frame beams with small shear span ratio.Therefore, the effect of reinforcement corrosion on the small shear span ratio was more serious.Meanwhile, the relationship between ductility coefficient, power ratio index and cumulative energy dissipation and shear span ratio and corrosion rate of corroded RC frame beams was fitted, which provides a theoretical basis for quantitative analysis of aseismic performance of corroded RC frame beams.
Key words:RC frame beam; reinforcement corrosion; shear span ratio; pseudo static test; seismic behavior
中图分类号:TU375.1
文献标志码:A
doi:10.6052/j.issn.1000-4750.2016.12.0985
文章编号:1000-4750(2018)04-0078-09
收稿日期:2016-12-20;修改日期:2017-03-20
基金项目:国家科技支撑计划项目(2013BAJ08B03);国家自然科学基金项目(51678475);教育部高等学校博士学科点专项科研基金项目(20136120110003);陕西省重点研发计划项目(2017ZDXM-SF-093);陕西省教育厅产业化项目(2017JC15)
通讯作者:刘 巍(1993―),男,山东济宁人,硕士生,从事结构工程与工程抗震研究(E-mail: a15191816335@163.com).
作者简介:郑山锁(1960―),男,陕西渭南人,教授,工学博士,从事结构工程与工程结构抗震研究(E-mail: zhengshansuo@263.net);
左河山(1985―),男,河南平顶山人,博士生,从事结构工程抗震研究(E-mail: zuoheshan1987@163.net);
董立国(1990―),男,山西平遥人,博士生,从事结构工程与工程抗震研究(E-mail: dlg_15@163.com);
李强强(1992―),男,陕西咸阳人,硕士生,从事结构工程与工程抗震研究(E-mail: 565388411@qq.com).